Ответить на тему  [ Сообщений: 376 ]  На страницу Пред.  1 ... 4, 5, 6, 7, 8, 9, 10 ... 19  След.
Робот-шпион. Сборка робота. Электронные платы 
Автор Сообщение
Аватара пользователя

Зарегистрирован: 18 июл 2010, 18:17
Сообщения: 1545
Откуда: Ростовская обл. г. Волгодонск
Сообщение Робот-шпион. Сборка робота. Электронные платы
Обсуждение электронных плат.


22 мар 2012, 07:07
Профиль

Зарегистрирован: 19 дек 2012, 17:08
Сообщения: 92
Сообщение Re: Робот-шпион. Сборка робота. Электронные платы
По схемам плат uC6 и uC7 то модули ВЧ 2,4Ггц одинаковые.На разъем J1 поступают одинаковые сигналы - 1и10 питание 3,3v; со 2 по 7 - PA2 по PA7; 8 - PC6; 9 - PC7 идут с процессора.На плате uC6 над разъемом J1 четыре контакта ,слева направо; 1 - PA0; 2 - питание 3,3v; 3 - PB4; 4 - GND.


29 апр 2013, 09:35
Профиль
Аватара пользователя

Зарегистрирован: 02 май 2013, 22:05
Сообщения: 21
Сообщение Re: Робот-шпион. Сборка робота. Электронные платы
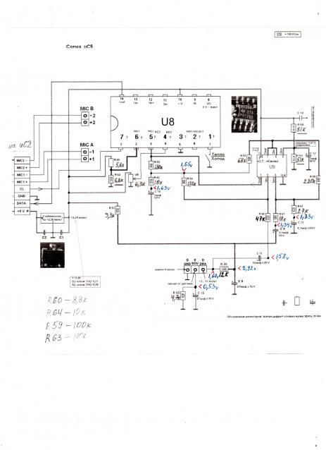
[quote="Aleksahdr"]То что я обозначил на схеме uC5 транзистором то это стабилизатор Q1 на +3,3v. Это и было у них на плате uC2 два варианта или +9v или +3,3v.Они поставили стабилизатор на плату uC5 и дали +9v чтобы снизить нагрузку на стабилизатор +3,3v на плате uC0.[/quote]
Aleksahdr, я немного подкорректировал твою схему uC5 (http://vk.com/topic-39367495_26594427?offset=454) так как пришлось разбираться с её работой: Робот не встаёт на "Охрану" = всё время моргает красным (даже если я вынул совсем ПИК-датчик!). Как думаешь, в чём может быть проблема? И что это за микросхема U8 ?


02 май 2013, 22:35
Профиль

Зарегистрирован: 19 дек 2012, 17:08
Сообщения: 92
Сообщение Re: Робот-шпион. Сборка робота. Электронные платы
Фото:
Робот-шпион. Сборка робота. Электронные платы
Робот-шпион. Сборка робота. Электронные платы плата uC5 001.jpg [ 50.13 Кб | Просмотров: 5856 ]
ykry,так сразу в чем дело сказать трудно.У меня заработал сразу-хотя корпус,кабель,микрофоны самодельные.Нажимаешь клавишу "собака" на пульте -лидар останавливается,загораются синие светодиоды и идет пауза(дающая тебе выйти из помещения) идут два писка, светодиоды гаснут.Если кто то окажется перед датчиком начинают моргать красные светодиоды и пищит динамик. У меня он срабатывает около 2 метров. Даю таблицу напряжений на выводах микросхем.Сопротивления R60-8,8к; R64-10к; R59-100к; R63-100к. А что за микросхема U8 я пока не знаю.


04 май 2013, 23:39
Профиль
Аватара пользователя

Зарегистрирован: 02 май 2013, 22:05
Сообщения: 21
Сообщение Re: Робот-шпион. Сборка робота. Электронные платы
Aleksahdr, у меня корпус и кабель из журнала, микрофонов нет (ещё не давали). Нажимаешь клавишу "собака" на пульте -лидар останавливается, загораются синие светодиоды на 2 сек, затем каждые следующие 1...3 сек красный всплеск светодиодов. Так продолжается минут 5...10. Естественно = на охрану не встаёт. Вдруг один раз за 5...10 минут встаёт на охрану ( идут два писка, светодиоды гаснут ). Но почти сразу начинают моргать красные светодиоды и пищит динамик. У меня он срабатывает сам по себе, как только встаёт на охрану (если встаёт!). Таблица напряжений на выводах микросхем моего робота мало отличается от твоих (даю картинку). Сопротивления R60; R64; R59; R63 = как и у тебя.
Снимал плату uC5 совсем = тогда 10 сек светит синим и как миленький встаёт на охрану ( идут два писка, светодиоды гаснут ).
Похоже U8 выдаёт ложные сигналы. Почему?
Datasheet на неё фирма не даёт, прошивку тоже (на это и англичане с 2001 по 2013 год ругаются). Поменял уже три микросхемы U8 = не помогло! Крутил VR = не помогло. Смотрел робота-предшественника (Cybot = Real Robots) = у него такой детали не было.
Что бы ещё предпринять?


Фото:
Робот-шпион. Сборка робота. Электронные платы
Робот-шпион. Сборка робота. Электронные платы напряжения U8 U9.JPG [ 22.57 Кб | Просмотров: 5781 ]
06 май 2013, 21:24
Профиль

Зарегистрирован: 19 дек 2012, 17:08
Сообщения: 92
Сообщение Re: Робот-шпион. Сборка робота. Электронные платы
Фото:
Робот-шпион. Сборка робота. Электронные платы
Робот-шпион. Сборка робота. Электронные платы схема uC5-3 001.jpg [ 28.89 Кб | Просмотров: 5754 ]
Если вынуть датчик и ставить на охрану он не должен мигать красным я проверял.Проверь эти напряжения указанные на схеме.Есть еще одна мысль.Плата uC5 не участвует в установке охраны,синие светодиоды загораются и без нее,а вот когда гаснут на нее идут импульсы с пульта.Если выключить пульт при охране-охраны не будет.Может с пульта не то идет.


07 май 2013, 17:18
Профиль
Аватара пользователя

Зарегистрирован: 08 янв 2012, 15:00
Сообщения: 782
Откуда: Москва м.Щелковская
Сообщение Re: Робот-шпион. Сборка робота. Электронные платы
Aleksahdr писал(а):
По схемам плат uC6 и uC7 то модули ВЧ 2,4Ггц одинаковые.На разъем J1 поступают одинаковые сигналы - 1и10 питание 3,3v; со 2 по 7 - PA2 по PA7; 8 - PC6; 9 - PC7 идут с процессора.На плате uC6 над разъемом J1 четыре контакта ,слева направо; 1 - PA0; 2 - питание 3,3v; 3 - PB4; 4 - GND.

ну что александр,одинаковые РЧ модули или нет? проверили? а не стал покупать 66 номер,надеюсь вы правы))


07 май 2013, 19:30
Профиль
Аватара пользователя

Зарегистрирован: 02 май 2013, 22:05
Сообщения: 21
Сообщение Re: Робот-шпион. Сборка робота. Электронные платы
Aleksahdr, спасибо за информацию!
Проверил и эти напряжения = все очень похожи с моим Роботом.
Бросилось в глаза, что напряжения на CL шине и Data сильно разные. Может их согласование нарушено?
И верно! Поставил на CL доп конденсатор = и Проблема решена!
Подробности на:
http://vk.com/topic-39367495_26594427?offset=481
http://vk.com/topic-39367495_26594427?offset=474
Ещё раз спасибо за полезную информацию!


12 май 2013, 19:07
Профиль

Зарегистрирован: 15 май 2013, 21:37
Сообщения: 7
Сообщение Re: Робот-шпион. Сборка робота. Электронные платы
Я из РБ так что у меня только 13 выпуск, но форумы уже прошерстил, и заметил что все жалуются на ДУ(маленький радиус действия), подумал о замене компонентов вот что нашел
http://www.aliexpress.com/store/product ... 50945.html
может если этим заменить дальше будет ловить!!?!?
Знающие люди подскажите.


15 май 2013, 21:43
Профиль
Аватара пользователя

Зарегистрирован: 08 янв 2012, 15:00
Сообщения: 782
Откуда: Москва м.Щелковская
Сообщение Re: Робот-шпион. Сборка робота. Электронные платы
darkcats писал(а):
Aleksahdr писал(а):
По схемам плат uC6 и uC7 то модули ВЧ 2,4Ггц одинаковые.На разъем J1 поступают одинаковые сигналы - 1и10 питание 3,3v; со 2 по 7 - PA2 по PA7; 8 - PC6; 9 - PC7 идут с процессора.На плате uC6 над разъемом J1 четыре контакта ,слева направо; 1 - PA0; 2 - питание 3,3v; 3 - PB4; 4 - GND.

ну что александр,одинаковые РЧ модули или нет? проверили? а не стал покупать 66 номер,надеюсь вы правы))

платы оказались ОДИНАКОВЫМИ,как я и говорил!! ПРОВЕРЕНО


15 май 2013, 22:44
Профиль
Аватара пользователя

Зарегистрирован: 14 окт 2012, 19:15
Сообщения: 56
Откуда: Киев, Украина
Сообщение Re: Робот-шпион. Сборка робота. Электронные платы
SergeySRG писал(а):
Я из РБ так что у меня только 13 выпуск, но форумы уже прошерстил, и заметил что все жалуются на ДУ(маленький радиус действия), подумал о замене компонентов вот что нашел
http://www.aliexpress.com/store/product ... 50945.html
может если этим заменить дальше будет ловить!!?!?
Знающие люди подскажите.

viewtopic.php?p=485699#p485699 - от сих и далее как раз и описана имплантация подобных модулей.


20 май 2013, 22:45
Профиль

Зарегистрирован: 19 дек 2012, 17:08
Сообщения: 92
Сообщение Re: Робот-шпион. Сборка робота. Электронные платы
Фото:
Робот-шпион. Сборка робота. Электронные платы
Робот-шпион. Сборка робота. Электронные платы схема uC6 001.jpg [ 43.15 Кб | Просмотров: 5497 ]
Сделал схему uC6 -посылаю может и сгодится кому.


27 май 2013, 14:18
Профиль

Зарегистрирован: 19 дек 2012, 17:08
Сообщения: 92
Сообщение Re: Робот-шпион. Сборка робота. Электронные платы
У меня в схеме uC6 маленькая ошибка. Контакты над разъемом J1 -2 не +3,3v,а идет с процессора 18 ножка (PA1). Но это на работу не влияет. Там с процессора идет примерно 3,3v.


28 май 2013, 05:19
Профиль
Аватара пользователя

Зарегистрирован: 29 мар 2012, 11:54
Сообщения: 781
Откуда: Москва
Сообщение Re: Робот-шпион. Сборка робота. Электронные платы
Aleksahdr писал(а):
Там с процессора идет примерно 3,3v.

Логическая единица...


28 май 2013, 08:03
Профиль

Зарегистрирован: 19 дек 2012, 17:08
Сообщения: 92
Сообщение Re: Робот-шпион. Сборка робота. Электронные платы
Да. На 1 логический 0 -0,6v.


28 май 2013, 13:23
Профиль

Зарегистрирован: 19 дек 2012, 17:08
Сообщения: 92
Сообщение Re: Робот-шпион. Сборка робота. Электронные платы
Фото:
Робот-шпион. Сборка робота. Электронные платы
Робот-шпион. Сборка робота. Электронные платы процессор 1 001.jpg [ 22.9 Кб | Просмотров: 5335 ]
Процессор к схеме uC6.


08 июн 2013, 07:55
Профиль

Зарегистрирован: 12 май 2012, 13:37
Сообщения: 924
Сообщение Re: Робот-шпион. Сборка робота. Электронные платы
ykry
Вы уверены, что дело в сигнале CLK?
Сколько экземпляров Роботов-шпионов прошли через Ваши руки?


02 июл 2013, 08:29
Профиль

Зарегистрирован: 12 май 2012, 13:37
Сообщения: 924
Сообщение Re: Робот-шпион. Сборка робота. Электронные платы
Попался мне Робот-шпион, у которого ПИК датчик работает аналогично описания YKRY. Воспользовался опытом YKRY. Даже подобрал ёмкость конденсатора: получилось, что достаточно 150 пФ, 120 пФ мало. И всё вроде нормально работает. Я даже обрадовался, что такое простое решение получается (см. картинку). Но через некоторое время включаю Робота-шпиона, а он опять работает так, словно дополнительный конденсатор и не устанавливал.
Отключаю конденсатор: ПИК датчик вроде нормально заработал. Ну, думаю, где-то восстановился контакт и всё заработало. Я опять обрадовался. Через некоторое время опять включаю: опять не работает. Ё моё. Начинаю ставить конденсатор: ноль реакции. Увеличиваю-уменьшаю ёмкость: ноль реакции.
Решил пойти радикальным путём и стал переставлять платы этого Робота-шпиона и другого Робота-шпиона, который работает без проблемы.
Короче, через двое суток этого мероприятия:
1) не удалось найти такой платы, перестановка которой снимает проблему, хотя заметно влияние на интенсивность помех ПИК датчику перестановки платы лидара, особенно микросхемы лидара, заметно влияние перестановки кабеля, соединяющего ПИК плату с основным корпусом Робота-шпиона, заметно влияние самой нижней платы питания приводов с микросхемой…. Но, к сожалению, при одновременной перестановке нескольких компонент ПИК датчики обоих Роботов-шпионов начинали сбоить;
2) если температура воздуха (соответственно и Робота шпиона) ниже 25 градусов, то всё работает без проблем при любых сочетаниях плат. В районе 25 градусов появлялись помехи, которые удалось устранить путём подсоединения добавочной ёмкости. При дальнейшем повышении температуры (до 30 градусов) добавочная ёмкость переставала помогать и даже приводила к дополнительным помехам.
Похоже, что Робот-шпион рассчитан на работу при нормальной температуре. Работоспособность при других температурах под вопросом. Не знаю, что делать дальше.


Фото:
Робот-шпион. Сборка робота. Электронные платы
Робот-шпион. Сборка робота. Электронные платы Pic.jpg [ 29.62 Кб | Просмотров: 5162 ]
07 июл 2013, 01:37
Профиль

Зарегистрирован: 19 дек 2012, 17:08
Сообщения: 92
Сообщение Re: Робот-шпион. Сборка робота. Электронные платы
vlad...! Первое-шина CLK это синхронизация по ней идет тактовая частота и если в нее влезает помеха то все будет портится. Но и конденсатор тоже будет портить форму импульсов. Основные помехи идут по питанию.Может в питании поставить (посмотри по схеме uC5 на 10 вывод микросхемы). Еще от двигателя ЛИДАРА могут идти помехи. Я то себе на двигатель ЛИДАРА поставил выключатель на голове робота, с одной стороны антенна с другой кнопка/выкл. Зачем его зря гонять. Ты не пишешь чем питаешь своего ребенка-батареи или сеть. Я питаю все эксперименты от сети стабилизатор +9v и стабилизатор +6v , чтобы не было к питанию претензий. Еще надо поставить конденсаторы 3300мф на 6,3v несколько штук в питание +3,3v в самом роботе. В общем проблем полно smile_13 Забыл-на мониторе у меня показывает температуру +30град.


Последний раз редактировалось Aleksahdr 10 июл 2013, 17:08, всего редактировалось 1 раз.



09 июл 2013, 20:26
Профиль

Зарегистрирован: 17 июн 2013, 16:07
Сообщения: 462
Откуда: г. Одинцово.
Сообщение Re: Робот-шпион. Сборка робота. Электронные платы
Aleksahdr писал(а):
vlad...! Первое-шина CLK это синхронизация по ней идет тактовая частота и если в нее влезает помеха то все будет портится. Но и конденсатор тоже будет портить форму импульсов. Основные помехи идут по питанию.Может в питании поставить (посмотри по схеме uC5 на 10 вывод микросхемы). Еще от двигателя ЛИДАРА могут идти помехи. Я то себе на двигатель ЛИДАРА поставил выключатель на голове робота, с одной стороны антенна с другой кнопка/выкл. Зачем его зря гонять. Ты не пишешь чем питаешь своего ребенка-батареи или сеть. Я питаю все эксперименты от сети стабилизатор +9v и стабилизатор +6v , чтобы не было к питанию претензий. Еще надо поставить конденсаторы 3300мф на 6,3v несколько штук в питание +3,3v в самом роботе. В общем проблем полно smile_13

Лично я мало чего понял, разве только то, что проблем уж больно много. а как ты выключатель поставил? Покажи, пожалуйста, фотографии, если можно! Я с какого-нибудь фонарика там сорву и тоже себе сделаю. А то постоянно разбирать робота для выключения или включения мотора - как-то не эстетично, не так ли?


09 июл 2013, 20:53
Профиль

Зарегистрирован: 12 май 2012, 13:37
Сообщения: 924
Сообщение Re: Робот-шпион. Сборка робота. Электронные платы
Aleksahdr
Есть кое-какие предположения относительно CLK. На выходных проверю с учётом схем, выложенных тобой.
Относительно помех и конденсаторов. Когда идут помехи, о которых идёт речь, все моторы выключены, Робот-шпион практически неподвижен. Токи в цепях электролитов небольшие.... Более того при повышении температуры внутреннее сопротивление применяемых ХИТ падает.
Два Робота-шпиона, о которых я сообщал, питаются от батарей, но я контролирую, чтобы они были свежие (по акции накупил). Впрочем я проверял и при несвежих батареях: разницы не заметил.
В одинаковых условиях один Робот-шпион работает без помех, а другой с помехами.
Затем начинаю переставлять платы и они меняются местами по уровню помех. Можно выбрать платы хорошие и платы плохие с этой точки зрения. Но это не решение проблемы. Мне кажется, что оно где-то рядом. Надо подумать и померять сигналы.


09 июл 2013, 23:50
Профиль
Показать сообщения за:  Поле сортировки  
Ответить на тему   [ Сообщений: 376 ] 
На страницу Пред.  1 ... 4, 5, 6, 7, 8, 9, 10 ... 19  След.


   Похожие темы   Автор   Ответы   Просмотры   Последнее сообщение 
Нет новых сообщений Звезда, Т-90А 1/72, "сборка без клея".

[ На страницу: 1, 2 ]

в форуме Бронетехника 1/72

bw777

30

51582

08 ноя 2015, 00:45

bw777 Перейти к последнему сообщению

Нет новых сообщений Корабль Адмирала Нельсона "Виктори" - Сборка секции корабля (сечение по мидель-шпангоуту) МАСШТАБ 1/72

[ На страницу: 1 ... 6, 7, 8 ]

в форуме Корабль адмирала Нельсона «Виктори»

Berkut

148

141737

23 сен 2019, 05:23

adept Перейти к последнему сообщению

Нет новых сообщений Сборка корабля "Черная Королева" от garryniy

в форуме Корабли не из партвоков

Aeroplanus

13

28303

26 авг 2014, 17:16

sergandr Перейти к последнему сообщению

Нет новых сообщений "Постепенный мастер". Японская сборка по инструкции.

[ На страницу: 1 ... 12, 13, 14 ]

в форуме Собери Жемчужину - Процесс сборки, Фотоотчеты пользователей

PapaNiki

270

224268

14 янв 2020, 07:14

falcon762 Перейти к последнему сообщению

Нет новых сообщений "Летучий голландец" - Сборка, полезные советы.

[ На страницу: 1, 2, 3 ]

в форуме Общие темы и Прочие серии-сборки кораблей

Rolf

53

78045

20 дек 2018, 09:23

Kaktak Перейти к последнему сообщению


Кто сейчас на конференции

Зарегистрированные пользователи: Google [Bot], Majestic-12 [Bot], Yandex [Bot]

энергия камней отзывы, Дамы эпохи 34, график выхода журнала дом мечты, журнал Собери Телескоп где купить
Вы не можете начинать темы
Вы не можете отвечать на сообщения
Вы не можете редактировать свои сообщения
Вы не можете удалять свои сообщения
Вы не можете добавлять Фото

Найти:
cron
Журнальные серии ДеАгостини и другие коллекционные издания Партворки.

2010-2022 Форум о журнальных коллекциях Deagosini, Ашет коллекция, Eaglemoss и других издательств.

При использовании материалов сайта активная ссылка на сайт обязательна!

Рейтинг@Mail.ru