Ответить на тему  [ Сообщений: 66 ]  На страницу Пред.  1, 2, 3, 4  След.
Победа №40 
Автор Сообщение
Лидер разделов Чудеса Природы и Животные леса
Аватара пользователя

Зарегистрирован: 10 мар 2010, 18:13
Сообщения: 36167
Откуда: Нижний Новгород
Сообщение Re: Победа №40
Что-то тишина о новом номере из первых рук... smile_04


07 ноя 2013, 23:05
Профиль
Аватара пользователя

Зарегистрирован: 13 апр 2011, 21:25
Сообщения: 203
Откуда: Россия, Москва, СЗАО
Сообщение Re: Победа №40
alexxx писал(а):
Что-то тишина о новом номере из первых рук... smile_04

Ну вышел, ну длиннннная пластиковая фигня требует некоторой аккуратности при транспортировке (особенно если брать журнал утроп по пути на работу). А так все собирается с пол пинка:
Победа №40 => Победа №40
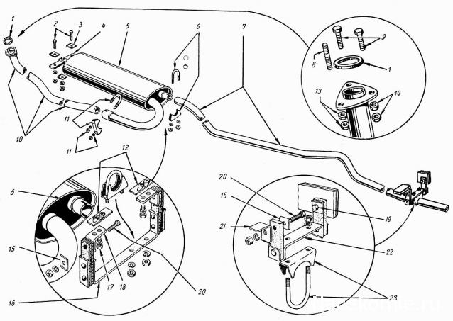
p.s. Правда смущают "серебристые ножки" у выхлопной трубы - что там было в реале? (лучше сылочку на фото) Да и "козырек выпускной трубы" не кажется реальной деталью...


07 ноя 2013, 23:37
Профиль

Зарегистрирован: 11 фев 2013, 06:40
Сообщения: 169
Откуда: Кемерово
Сообщение Re: Победа №40
А я походу тупонул с ручником, я трос не так как надо провел, я его над рессорами повел а надо было под ними, между днищем и ими. А сейчас переделать проблемка(((ну думаю ничего страшного нету, кто там будет под днище смотреть))) В конце сборки авто будет кг 10-15 вешать походу)))


08 ноя 2013, 05:16
Профиль ICQ
Лидер разделов Чудеса Природы и Животные леса
Аватара пользователя

Зарегистрирован: 10 мар 2010, 18:13
Сообщения: 36167
Откуда: Нижний Новгород
Сообщение Re: Победа №40
Хм... Снова номер очень легкий, как по весу вложений и по длительности сборки...


08 ноя 2013, 06:20
Профиль
Аватара пользователя

Зарегистрирован: 24 апр 2013, 00:00
Сообщения: 188
Сообщение Re: Победа №40
Satana42rus писал(а):
А я походу тупонул с ручником, я трос не так как надо провел, я его над рессорами повел а надо было под ними, между днищем и ими. А сейчас переделать проблемка(((ну думаю ничего страшного нету, кто там будет под днище смотреть))) В конце сборки авто будет кг 10-15 вешать походу)))

Так переделай всё правильно, а то потом и трубу ниже моста, как на модельке 1:43,сделаешь. Да и модель ты не для толпы друзей то собираешь,а для себя. Ты же бужешь знать про этот свой косяк.


08 ноя 2013, 08:19
Профиль

Зарегистрирован: 17 сен 2012, 13:51
Сообщения: 1497
Откуда: Томская обл. г. Северск
Сообщение Re: Победа №40
а как его можно над рессорой пропустить? Этож как надо изогнуть


08 ноя 2013, 08:26
Профиль

Зарегистрирован: 11 фев 2013, 06:40
Сообщения: 169
Откуда: Кемерово
Сообщение Re: Победа №40
Да попробую переделать)))У меня все знакомые ждут конца сборки, всем интересно стало на что будет похоже))


08 ноя 2013, 10:11
Профиль ICQ

Зарегистрирован: 15 ноя 2010, 15:39
Сообщения: 863
Сообщение Re: Победа №40
Molly писал(а):
Правда смущают "серебристые ножки" у выхлопной трубы - что там было в реале?

Конечно же, никаких ножек у настоящей трубы нет. Она висела между резонатором и, кстати, под кронштейном, а не над ним.
Вот ссылка на каталог: http://www.konsulavto.ru/acat/cars/gaz/ ... lushitelja


08 ноя 2013, 10:16
Профиль

Зарегистрирован: 17 сен 2012, 13:51
Сообщения: 1497
Откуда: Томская обл. г. Северск
Сообщение Re: Победа №40
Вот как раз над кронштейном. Рисунок показан низом глушителя вверх. Ножки это изобрЕтенье ДЕА чтобы в процессе "эксплуатации" труба не переломилась


08 ноя 2013, 10:39
Профиль

Зарегистрирован: 15 ноя 2010, 15:39
Сообщения: 863
Сообщение Re: Победа №40
Я имел в виду задний кронштейн, а не кронштейн возле резонатора.


08 ноя 2013, 10:45
Профиль
Аватара пользователя

Зарегистрирован: 21 окт 2011, 21:59
Сообщения: 2900
Откуда: Саратов
Сообщение Re: Победа №40
если речь идет о заднем креплении,
то "ПОД" кронштейном задней подвески выпускной трубы глушителя,
а у глушителя - "НАД"


08 ноя 2013, 10:54
Профиль

Зарегистрирован: 17 сен 2012, 13:51
Сообщения: 1497
Откуда: Томская обл. г. Северск
Сообщение Re: Победа №40
может я не прав
Но я виже что у глушака под, а на конце над как и у модели
внимательно смотрите


Фото:
Победа №40
Победа №40 022.JPG [ 54.39 Кб | Просмотров: 2661 ]
08 ноя 2013, 11:06
Профиль
Аватара пользователя

Зарегистрирован: 21 окт 2011, 21:59
Сообщения: 2900
Откуда: Саратов
Сообщение Re: Победа №40
ох УЖ эти конверторы smile_31
зачем так издеваться над рисунками
вот правильное расположение деталей


Фото:
Победа №40
Победа №40 глУхо.jpg [ 52.68 Кб | Просмотров: 2652 ]
08 ноя 2013, 11:48
Профиль

Зарегистрирован: 17 сен 2012, 13:51
Сообщения: 1497
Откуда: Томская обл. г. Северск
Сообщение Re: Победа №40
правильное положение?
На рисунке низ глушителя смотрит вверх. Почему по твоему труба из двигателя направлена вверх?
Труба из коллектора должна быть вовнутрь кузова и выхлопная снаружи кузова


08 ноя 2013, 11:54
Профиль
Аватара пользователя

Зарегистрирован: 21 окт 2011, 21:59
Сообщения: 2900
Откуда: Саратов
Сообщение Re: Победа №40
приемная труба крепится к выпускному коллектору
Фото:
Победа №40
Победа №40 правый.jpg [ 124.42 Кб | Просмотров: 2649 ]

...а рисунок глушителя - Вид сверху слева

может так нагляднее


Фото:
Победа №40
Победа №40 оп.jpg [ 26.4 Кб | Просмотров: 2647 ]
08 ноя 2013, 12:01
Профиль

Зарегистрирован: 11 фев 2013, 06:40
Сообщения: 169
Откуда: Кемерово
Сообщение Re: Победа №40
Чего спорить, все правильно сделано)))Я сначала тоже думал глядя на рисунок че по чем, а как увидел как подходит к движку все понял))


08 ноя 2013, 14:51
Профиль ICQ

Зарегистрирован: 17 сен 2012, 13:51
Сообщения: 1497
Откуда: Томская обл. г. Северск
Сообщение Re: Победа №40
А кто спорит. ну да, кода я объяснял, имея ввиду, что кузов к верху брюхом повёрнут
а низ глушака это сторона к кузову.


08 ноя 2013, 15:35
Профиль

Зарегистрирован: 15 ноя 2010, 15:39
Сообщения: 863
Сообщение Re: Победа №40
Попробую сказать иначе: у модели горизонтальные планки двух П-образных кронштейнов, расположенных на концах выхлопной трубы, находятся на одной стороне этой трубы (касаются серединой одной образующей), а на настоящем автомобиле - на разных сторонах (касаются серединой противоположных образующих).


08 ноя 2013, 16:23
Профиль
Аватара пользователя

Зарегистрирован: 13 апр 2011, 21:25
Сообщения: 203
Откуда: Россия, Москва, СЗАО
Сообщение Re: Победа №40
DVS1 писал(а):
Molly писал(а):
Правда смущают "серебристые ножки" у выхлопной трубы - что там было в реале?

Конечно же, никаких ножек у настоящей трубы нет. Она висела между резонатором и, кстати, под кронштейном, а не над ним.
Вот ссылка на каталог: http://www.konsulavto.ru/acat/cars/gaz/ ... lushitelja

В общем, значит для сохранения остатков копийности модели необходимо как минимум убрать (срезать) две последние "ножки" smile_04
Ну а при наличии рук и инструмента (и подходящей по колеру краски) - срезать на днище бортики у крепежных отверстий этих ножек, зашпаклевать, зашкурить и окрасить...
И ведь придется этим заняться - уж больно нелепо выглядят "ножки" на собранном полуфабрикате.
p.s. А ведь хотел просто собрать модель как говориться "из коробки"... smile_13
p.p.s. А про "Козырек" все таки кто-нибудь владеет информацией?


08 ноя 2013, 23:18
Профиль

Зарегистрирован: 17 сен 2012, 13:51
Сообщения: 1497
Откуда: Томская обл. г. Северск
Сообщение Re: Победа №40
Я думаю его надо убрать а трубу высверлить. Слишком тюнинговано выглядит


09 ноя 2013, 07:50
Профиль
Показать сообщения за:  Поле сортировки  
Ответить на тему   [ Сообщений: 66 ] 
На страницу Пред.  1, 2, 3, 4  След.


   Похожие темы   Автор   Ответы   Просмотры   Последнее сообщение 
Нет новых сообщений Автолегенды СССР Спецвыпуск "Спорт" №1 - М-20 "Победа-Спорт"

[ На страницу: 1 ... 10, 11, 12 ]

в форуме Автолегенды СССР Спецвыпуски

tula

221

199685

11 июн 2019, 08:28

Kot12 Перейти к последнему сообщению

Нет новых сообщений "Великая победа" - книжная серия - ИД "Амфора"

[ На страницу: 1 ... 15, 16, 17 ]

в форуме Книжные серии

MaximenT

324

171463

04 мар 2016, 15:30

Lenichna Перейти к последнему сообщению

Нет новых сообщений Конкурс "Весенняя Победа"

[ На страницу: 1, 2, 3 ]

в форуме Модели Автомобилей - Конкурсы

autosssr

40

22653

05 июн 2020, 14:56

autosssr Перейти к последнему сообщению

Нет новых сообщений №8 Орден "ПОБЕДА" - СПЕЦВЫПУСК

[ На страницу: 1 ... 4, 5, 6 ]

в форуме Ордена СССР

Gromka

112

101217

23 июл 2019, 16:58

EduardM Перейти к последнему сообщению

Нет новых сообщений Конкурс "Весенняя Победа" - фото, 1-й тур

в форуме Модели Автомобилей - Конкурсы

autosssr

12

17256

08 май 2020, 17:48

denbor Перейти к последнему сообщению


Кто сейчас на конференции

Зарегистрированные пользователи: 1Abrikoska, agentOO, Ampermeter, ElGato, Google [Bot], lukicher, Majestic-12 [Bot], Margaritka, Yandex [Bot]

партворк Marvel Коллекция Комиксов, коллекция моделей Автолегенды, коллекция Куклы в Костюмах Народов Мира, собери черную жемчужину подписка
Вы не можете начинать темы
Вы не можете отвечать на сообщения
Вы не можете редактировать свои сообщения
Вы не можете удалять свои сообщения
Вы не можете добавлять Фото

Найти:
Журнальные серии ДеАгостини и другие коллекционные издания Партворки.

2010-2022 Форум о журнальных коллекциях Deagosini, Ашет коллекция, Eaglemoss и других издательств.

При использовании материалов сайта активная ссылка на сайт обязательна!

Рейтинг@Mail.ru