Ответить на тему  [ Сообщений: 705 ]  На страницу Пред.  1 ... 24, 25, 26, 27, 28, 29, 30 ... 36  След.
Обновление ПО Робота-Шпиона, Перепрошивка робота 
Автор Сообщение

Зарегистрирован: 12 май 2012, 13:37
Сообщения: 924
Сообщение Re: Обновление ПО Робота-Шпиона, Перепрошивка робота
intelteh
Не понятно: а другие команды исполняются с ПДУ и ПК?
На плату uC7 подаются два напряжения питания: стабилизированное 3.3 В и нестабилизированное от всех батарей 9 В (номинал). Это нестабилизированное напряжение вполне может в данном случае мешать нормальной работе платы uC7 и всего Робота-шпиона. Я бы в такой ситуации отсоединил бы кабель от разъёма платы uC7, куда подключается программатор. По идее, если дело в пониженном напряжении, то после отключения платы uC7 Робот-шпион лучше будет исполнять команды с ПДУ.

Добавлено спустя 45 минут 20 секунд:






О прошивке без Робота-шпиона


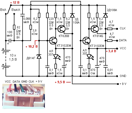
Привожу один из вариантов электронной схемы, предназначенной для замены Робота-шпиона при прошивке платы uC7 с помощью ПК, «программатора» и платы uC6.

Замена позволяет избавиться от воздействия электропомех и разряженных батарей Робота-шпиона, минимизировать разборку-сборку Робота-шпиона.

Для этого варианта схемы до настоящего времени не выявил ни одной некорректной прошивки имеющихся у меня трёх экземпляров платы uC7 при общем количестве перепрошивок порядка нескольких десятков (использовались три экземпляра платы uC6). При более простых вариантах схемы встречались некорректные результаты.

Схема обеспечивает:
1) стабилизированное постоянное напряжение питания платы uC7;
2) импульсную составляющую тока потребления платы uC7;
3) достаточно низкий уровень собственных шумов и помех;
4) использование б/у батареек от Робота-шпиона;
5) информирование (светодиодами) о включении схемы и одновременно о более или менее нормальном выходном напряжении схемы с подключённой платой uC7 или без неё;
6) устойчивость к непродолжительным коротким замыканиям со стороны платы uC7 (например, если плата неисправна или соединительный кабель) с одновременным информированием о КЗ (гаснут светодиоды);
7) время прошивки платы uC7 около 1 минуты.

При необходимости подбирается стабилитрон (на схеме – Д814Г), чтобы на выходном контакте «+9V» напряжение находилось в пределах 9-10 Вольт.
Ниже на схеме красным цветом даны значения постоянных напряжений относительно вывода GND на собранной мной плате.
Транзисторы КТ626 и КТ814 здесь взаимозаменяемые, радиаторы для них не требуются. Конденсаторы – керамические и полярные электролитические на напряжения от 16 В. Резисторы любого типа на мощность 0,125-0,25 Вт, кроме указанных на схеме на 0,5 Вт.
Ниже также показан порядок соединения выводов схемы с разъёмом, подключаемым к плате uC7.

Приведённую схему могу рекомендовать к повторению.


Фото:
Обновление ПО Робота-Шпиона, Перепрошивка робота
Обновление ПО Робота-Шпиона, Перепрошивка робота Pic1.jpg [ 127.43 Кб | Просмотров: 4398 ]
18 ноя 2013, 19:33
Профиль
Аватара пользователя

Зарегистрирован: 02 авг 2011, 04:23
Сообщения: 2871
Откуда: СПб, Озерки.
Сообщение Re: Обновление ПО Робота-Шпиона, Перепрошивка робота
Сильно! А просто нормальные батарейки взять?
Фото:
Обновление ПО Робота-Шпиона, Перепрошивка робота
Обновление ПО Робота-Шпиона, Перепрошивка робота DSCN5609.JPG [ 32.01 Кб | Просмотров: 4388 ]

У меня почему-то и так прошивается.


Последний раз редактировалось sws35 19 ноя 2013, 06:37, всего редактировалось 1 раз.



18 ноя 2013, 20:53
Профиль
Аватара пользователя

Зарегистрирован: 29 мар 2012, 11:54
Сообщения: 782
Откуда: Москва
Сообщение Re: Обновление ПО Робота-Шпиона, Перепрошивка робота
vladimirdan писал(а):
Привожу один из вариантов электронной схемы, предназначенной для замены Робота-шпиона при прошивке платы uC7 с помощью ПК, «программатора» и платы uC6.

Дворец пионеров, начало 80-х. Бестолково, громоздко и не современно.
Не рекомендуется к повторению.


19 ноя 2013, 05:57
Профиль

Зарегистрирован: 25 мар 2013, 06:12
Сообщения: 110
Сообщение Re: Обновление ПО Робота-Шпиона, Перепрошивка робота
Это точно, достаточно было стаба на 3,3В, благо щас полно вариантов от простого на LM1117-3.3 до Adjustable на том, на чем нравится.
Смысл подтягивания даты и клока абсолютно не ясен, мало того, что это лишнее, так еще и существует вероятность спалить входы чипов.

Поддерживаю, настоятельно не рекомендуется к повторению.


19 ноя 2013, 09:57
Профиль

Зарегистрирован: 24 сен 2013, 23:52
Сообщения: 10
Сообщение Re: Обновление ПО Робота-Шпиона, Перепрошивка робота
Всем доброго(?) времени суток.
Касаемо 90 номера журнала.
КТО-НИБУДЬ поменял шлейф на новый?
Ни чего не оторвали?


22 ноя 2013, 20:44
Профиль

Зарегистрирован: 12 май 2012, 13:37
Сообщения: 924
Сообщение Re: Обновление ПО Робота-Шпиона, Перепрошивка робота
Я поменял, ничего не поломал


23 ноя 2013, 04:18
Профиль
Аватара пользователя

Зарегистрирован: 01 окт 2012, 21:12
Сообщения: 171
Откуда: Дзержинск
Сообщение Re: Обновление ПО Робота-Шпиона, Перепрошивка робота
Куда подключать этот шлейф из 90го номера ?


25 ноя 2013, 01:09
Профиль

Зарегистрирован: 16 апр 2012, 21:04
Сообщения: 78
Откуда: г. Дзержинск Нижегородской обл
Сообщение Re: Обновление ПО Робота-Шпиона, Перепрошивка робота
И я не нашел упоминания, куда этот кабель сувать ...


25 ноя 2013, 08:33
Профиль

Зарегистрирован: 12 май 2012, 13:37
Сообщения: 924
Сообщение Re: Обновление ПО Робота-Шпиона, Перепрошивка робота
Этот кабель я подключил между платой лидара и платой uC7 вместо ранее подключённого (4 чёрных, 1 красный). Для этого пришлось в очередной раз снять звуковую плату. Причём во вкладыше к журналу опять указан на плате uC7 разъём J4. Но я подключал к J5. Эту тему уже обсуждали

Добавлено спустя 1 час 47 секунд:
Обратите внимание, что конденсаторы должны быть ближе к плате uC7. Иначе можете спалить Робота-шпиона


25 ноя 2013, 08:57
Профиль
Аватара пользователя

Зарегистрирован: 02 авг 2011, 04:23
Сообщения: 2871
Откуда: СПб, Озерки.
Сообщение Re: Обновление ПО Робота-Шпиона, Перепрошивка робота
vladimirdan писал(а):
Обратите внимание, что конденсаторы должны быть ближе к плате uC7. Иначе можете спалить Робота-шпиона

Это каким образом, в чем разница с какой они стороны smile_23


25 ноя 2013, 12:42
Профиль

Зарегистрирован: 12 май 2012, 13:37
Сообщения: 924
Сообщение Re: Обновление ПО Робота-Шпиона, Перепрошивка робота
А Вы уже наоборот включили?


25 ноя 2013, 12:58
Профиль
Аватара пользователя

Зарегистрирован: 02 авг 2011, 04:23
Сообщения: 2871
Откуда: СПб, Озерки.
Сообщение Re: Обновление ПО Робота-Шпиона, Перепрошивка робота
Красный плюс, черный минус, как его ни крути местами они не меняются


25 ноя 2013, 13:08
Профиль

Зарегистрирован: 29 авг 2013, 16:54
Сообщения: 102
Сообщение Re: Обновление ПО Робота-Шпиона, Перепрошивка робота
sws35 писал(а):
Красный плюс, черный минус, как его ни крути местами они не меняются

Как не меняется? Если подключить длинным концом к UC7 то красный получается первый с лева, а если коротким то красный получается с обратной стороны разъема.


25 ноя 2013, 13:15
Профиль
Аватара пользователя

Зарегистрирован: 02 авг 2011, 04:23
Сообщения: 2871
Откуда: СПб, Озерки.
Сообщение Re: Обновление ПО Робота-Шпиона, Перепрошивка робота
HeadHunter писал(а):
sws35 писал(а):
Красный плюс, черный минус, как его ни крути местами они не меняются

Как не меняется? Если подключить длинным концом к UC7 то красный получается первый с лева, а если коротким то красный получается с обратной стороны разъема.

Тогда они козлы


25 ноя 2013, 14:57
Профиль
Аватара пользователя

Зарегистрирован: 29 мар 2012, 11:54
Сообщения: 782
Откуда: Москва
Сообщение Re: Обновление ПО Робота-Шпиона, Перепрошивка робота
Страно. Вроде раньше все шлейфы были пин-в-пин.


25 ноя 2013, 14:58
Профиль

Зарегистрирован: 01 мар 2012, 11:07
Сообщения: 51
Откуда: Елец
Сообщение Re: Обновление ПО Робота-Шпиона, Перепрошивка робота
У меня новый из №90 – тоже пин-в-пин.


26 ноя 2013, 00:48
Профиль
Аватара пользователя

Зарегистрирован: 02 авг 2011, 04:23
Сообщения: 2871
Откуда: СПб, Озерки.
Сообщение Re: Обновление ПО Робота-Шпиона, Перепрошивка робота
Не поленился раскрутить скотинку, действительно Володя прав. Дурдом - в кабеле 1 на 5, 2 на 4 и т.д., для старого то до барабана, а вот для кабеля с конденсаторами действительно - смотреть надо.


26 ноя 2013, 08:29
Профиль

Зарегистрирован: 12 май 2012, 13:37
Сообщения: 924
Сообщение Re: Обновление ПО Робота-Шпиона, Перепрошивка робота
Вчера обновлял Windows-XP (32) через интернет: появилось обновление Microsoft Visual C++ 2008.
Буду проверять, как работает прошивка платы uC6


02 дек 2013, 15:31
Профиль
Аватара пользователя

Зарегистрирован: 08 янв 2012, 15:00
Сообщения: 782
Откуда: Москва м.Щелковская
Сообщение Re: Обновление ПО Робота-Шпиона, Перепрошивка робота
vladimirdan писал(а):
Вчера обновлял Windows-XP (32) через интернет: появилось обновление Microsoft Visual C++ 2008.
Буду проверять, как работает прошивка платы uC6

вау, еще хрюша где то завалялся... жесть...


02 дек 2013, 17:14
Профиль

Зарегистрирован: 18 мар 2013, 10:56
Сообщения: 59
Откуда: Потусторонний мир
Сообщение Re: Обновление ПО Робота-Шпиона, Перепрошивка робота
Где-то еще W98 завалялась - коли нет драйверов под используемую перефирию в более новых системах.


03 дек 2013, 13:10
Профиль
Показать сообщения за:  Поле сортировки  
Ответить на тему   [ Сообщений: 705 ] 
На страницу Пред.  1 ... 24, 25, 26, 27, 28, 29, 30 ... 36  След.


   Похожие темы   Автор   Ответы   Просмотры   Последнее сообщение 
Нет новых сообщений Вариант программируемого робота на робото-шасси "Робот-шпион"

в форуме Робот Шпион

YrOM1k

13

16141

02 фев 2013, 08:55

AVKrobotics Перейти к последнему сообщению

Нет новых сообщений Робот-шпион. Сборка робота. Общая тема.

[ На страницу: 1 ... 180, 181, 182 ]

в форуме Робот Шпион

CatKing

3625

498856

15 ноя 2014, 22:29

Shunechka Перейти к последнему сообщению

Нет новых сообщений Продам полный комплект собранного робота R2D2

[ На страницу: 1, 2 ]

в форуме Серии-Сборки Купить-Продать

TheTERMINATOR

25

26606

11 май 2026, 14:32

TheTERMINATOR Перейти к последнему сообщению

Нет новых сообщений Робот-шпион. Сборка робота. Электронные платы

[ На страницу: 1 ... 17, 18, 19 ]

в форуме Робот Шпион

CatKing

375

105707

22 апр 2015, 19:08

SergKt Перейти к последнему сообщению


Кто сейчас на конференции

Зарегистрированные пользователи: Google [Bot], Google Image [Bot], Majestic-12 [Bot], Yandex [Bot]

Знаменитые Династии России форум, где купить дом мечты, Автолегенды СССР Лучшее, подписка Боевые Машины Мира
Вы не можете начинать темы
Вы не можете отвечать на сообщения
Вы не можете редактировать свои сообщения
Вы не можете удалять свои сообщения
Вы не можете добавлять Фото

Найти:
Журнальные серии ДеАгостини и другие коллекционные издания Партворки.

2010-2022 Форум о журнальных коллекциях Deagosini, Ашет коллекция, Eaglemoss и других издательств.

При использовании материалов сайта активная ссылка на сайт обязательна!

Рейтинг@Mail.ru