Ответить на тему  [ Сообщений: 304 ]  На страницу Пред.  1 ... 8, 9, 10, 11, 12, 13, 14 ... 16  След.
Робот-шпион. Система питания. 
Автор Сообщение
Аватара пользователя

Зарегистрирован: 18 июл 2010, 18:17
Сообщения: 1545
Откуда: Ростовская обл. г. Волгодонск
Сообщение Робот-шпион. Система питания.
Робот-шпион. Ситема питания.
Обсуждаем систему питания робота-шпиона
Фото:
Робот-шпион. Система питания.
Робот-шпион. Система питания. 5.JPG [ 51.82 Кб | Просмотров: 87911 ]


Разделы ветки «Робот - шпион»
1. Робот-шпион График Выхода и Обсуждение серии viewtopic.php?f=64&t=2993&start=520

2. Робот-шпион. Сборка робота. Этап 1. Силовая сборка и двигатели viewtopic.php?f=64&t=3072

3. Робот-шпион. Гараж Азимова. Роботоразговоры. Роботофлуд. viewtopic.php?f=64&t=3143

4. Робот-шпион. Система питания viewtopic.php?f=64&t=3517

5. Робот-шпион. Двигатель и механика viewtopic.php?f=64&t=3625

6. Робот-шпион. Мастерская. Только мастер-классы viewtopic.php?f=64&t=3715

7. Робот-шпион. Скайнет: Роботоссылки viewtopic.php?f=64&t=3067

8. Робот-шпион. Видеокамера и видеонаблюдение viewtopic.php?f=64&t=3824


10 янв 2012, 20:48
Профиль
Аватара пользователя

Зарегистрирован: 14 янв 2012, 06:06
Сообщения: 56
Откуда: Екатеринбург
Сообщение Re: Робот-шпион. Система питания.
Aleksahdr писал(а):
vladimirdan писал(а):
Значит получается, что стабилизатор понижает напряжение с 9 до 6 В?

Иди в ПТУ.


Зачем так грубо smile_15 не все люди с семи пядями во лбу рождаются.

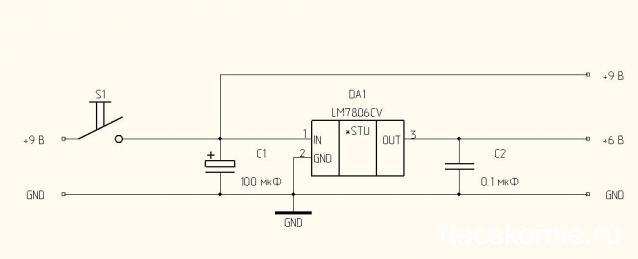
Стабилизатор он ограничивает (стабилизирует) напряжение на определенном уровне. Есть разные стабилизаторы на разное напряжение здесь использован LM7806 он стабилизирует напряжение на 6 В (т.о. получаем два напряжения первое которое подали это 9 В и второе 6 В стабилизированное).


03 янв 2013, 16:32
Профиль

Зарегистрирован: 19 дек 2012, 17:08
Сообщения: 92
Сообщение Re: Робот-шпион. Система питания.
Alarus писал(а):
Aleksahdr писал(а):
vladimirdan писал(а):
Значит получается, что стабилизатор понижает напряжение с 9 до 6 В?

Иди в ПТУ.


Зачем так грубо smile_15 не все люди с семи пядями во лбу рождаются.

Стабилизатор он ограничивает (стабилизирует) напряжение на определенном уровне. Есть разные стабилизаторы на разное напряжение здесь использован LM7806 он стабилизирует напряжение на 6 В (т.о. получаем два напряжения первое которое подали это 9 В и второе 6 В стабилизированное).

ПТУ это грубо -это жизнь .А стабилизаторы вам надо знать наизусть.


03 янв 2013, 16:54
Профиль

Зарегистрирован: 12 май 2012, 13:37
Сообщения: 924
Сообщение Re: Робот-шпион. Система питания.
Мало ли кто чего знает или не знает, должен или не должен. Вас просили страницу назад выложить схему, но Вы не смогли это сделать. Зачем сначала делать сообщения, а потом скрывать разъясняющую информацию?
Повторяю свой вопрос: Ваш стабилизатор на плате понижает напряжение с 9 до 6 Вольт?


03 янв 2013, 17:27
Профиль
Аватара пользователя

Зарегистрирован: 29 мар 2012, 11:54
Сообщения: 778
Откуда: Москва
Сообщение Re: Робот-шпион. Система питания.
Стандартная схема включения 7806 находится в яндексе за минуту. Если и эта схема вызывает затруднение, то извините, тут не школа, чтобы повторять курс физики.


03 янв 2013, 20:09
Профиль

Зарегистрирован: 12 май 2012, 13:37
Сообщения: 924
Сообщение Re: Робот-шпион. Система питания.
Хотя я ПТУ не кончал, но меня всё это интересует потому, есть риск, что реализация данной схемы в хвостовой части полностью собранного Робота-шпиона через час-два работы может привести к выходу из строя Робота-шпиона.


03 янв 2013, 20:14
Профиль
Аватара пользователя

Зарегистрирован: 29 мар 2012, 11:54
Сообщения: 778
Откуда: Москва
Сообщение Re: Робот-шпион. Система питания.
Если не перегружать кренку, ничего страшного не случится.


03 янв 2013, 20:51
Профиль

Зарегистрирован: 12 май 2012, 13:37
Сообщения: 924
Сообщение Re: Робот-шпион. Система питания.
кренку - это что такое?


03 янв 2013, 22:42
Профиль
Аватара пользователя

Зарегистрирован: 14 окт 2012, 19:15
Сообщения: 56
Откуда: Киев, Украина
Сообщение Re: Робот-шпион. Система питания.
vladimirdan писал(а):
кренку - это что такое?

Эта самая 7806.


04 янв 2013, 04:54
Профиль
Аватара пользователя

Зарегистрирован: 14 янв 2012, 06:06
Сообщения: 56
Откуда: Екатеринбург
Сообщение Re: Робот-шпион. Система питания.
Я думаю что схема следующая:


Фото:
Робот-шпион. Система питания.
Робот-шпион. Система питания. Spy.jpg [ 11.25 Кб | Просмотров: 3443 ]
04 янв 2013, 09:20
Профиль

Зарегистрирован: 12 май 2012, 13:37
Сообщения: 924
Сообщение Re: Робот-шпион. Система питания.
Если 6 Вольт предназначены для питания моторов, то на микросхемке выделяется около 2 Вт тепла.


04 янв 2013, 09:26
Профиль

Зарегистрирован: 12 май 2012, 13:37
Сообщения: 924
Сообщение Re: Робот-шпион. Система питания.
Можно съимитировать разогрев хвостовой части Робота-шпиона с такой дополнительной платой. Установить резистор под хвостовую плату Робота-шпиона, накрыть сверху чем-нибудь (тряпкой, например) хвостовую часть, чтобы почти отсутствовала конвекция воздуха в районе хвоста, как при полной сборке, и подать на резистор мощность 2 Вт. Включить питание Робота-шпиона и подождать часок - другой, а затем проверить: всё ли в роботе работает?
Если ни капельки не жалко своего Робота-шпиона и себя заодно, то можно провести такой несложный эксперимент несколько раз.
Но я не советую это делать, не стоящее это дело, цель не ясна.


04 янв 2013, 16:12
Профиль

Зарегистрирован: 01 июн 2012, 18:09
Сообщения: 558
Откуда: Ростов-на-Дону
Сообщение Re: Робот-шпион. Система питания.
Не совсем на 9 вольт, но для общего развития


Фото:
Робот-шпион. Система питания.
Робот-шпион. Система питания. 1510.jpg [ 14.57 Кб | Просмотров: 3413 ]
04 янв 2013, 17:34
Профиль
Аватара пользователя

Зарегистрирован: 14 окт 2012, 19:15
Сообщения: 56
Откуда: Киев, Украина
Сообщение Re: Робот-шпион. Система питания.
ЛМ-ка - простой, но крайне неэффективный стаб. Лучше брать DC-DC LowDrop. И не греется, и батарейки на тепло не переводит.


04 янв 2013, 23:44
Профиль

Зарегистрирован: 19 дек 2012, 17:08
Сообщения: 92
Сообщение Re: Робот-шпион. Система питания.
Yesterday писал(а):
Не совсем на 9 вольт, но для общего развития

СТАБИЛИЗАТОРЫ ЭТО ЗАГРАНИЧНЫЕ Я МОГУ ПЕРЕЧИСЛИТЬ ВСЕ УЧИТЕ МОДЧАЧТЬ.


05 янв 2013, 00:27
Профиль
Аватара пользователя

Зарегистрирован: 14 окт 2012, 19:15
Сообщения: 56
Откуда: Киев, Украина
Сообщение Re: Робот-шпион. Система питания.
Aleksahdr писал(а):
Yesterday писал(а):
Не совсем на 9 вольт, но для общего развития

СТАБИЛИЗАТОРЫ ЭТО ЗАГРАНИЧНЫЕ Я МОГУ ПЕРЕЧИСЛИТЬ ВСЕ УЧИТЕ МОДЧАЧТЬ.

Для начала, не надо кричать. А для продолжения - прежде чем учить других, учим русский язык.
LM7806, аналог - КР174ЕН5Б, она же КРЕНка. Бестолковый стаб. Плюс один - простота.


06 янв 2013, 14:21
Профиль

Зарегистрирован: 19 дек 2012, 17:08
Сообщения: 92
Сообщение Re: Робот-шпион. Система питания.
NeON писал(а):
Aleksahdr писал(а):
Yesterday писал(а):
Не совсем на 9 вольт, но для общего развития

СТАБИЛИЗАТОРЫ ЭТО ЗАГРАНИЧНЫЕ Я МОГУ ПЕРЕЧИСЛИТЬ ВСЕ УЧИТЕ МОДЧАЧТЬ.

Для начала, не надо кричать. А для продолжения - прежде чем учить других, учим русский язык.
LM7806, аналог - КР174ЕН5Б, она же КРЕНка. Бестолковый стаб. Плюс один - простота.

Во первых не кр174ен5б, а кр142ен5б аналог LM7806. Чем же она бестолковая. Три детали и весь стаб, а стабилизацией не уступит другим и защита есть и держит 2А. Только один нюанс кр142ен5б делали в металлическом корпусе КТ-28-2 с четырьмя выводами. И в первом варианте стаб-плата стояла на верху на противовесах. И когда пришел прозрачный корпус она не лезла в размер Я сделал новый вариант платы на днище, но там не лезла 142-я , а 7806 в самый раз.


10 янв 2013, 21:43
Профиль
Аватара пользователя

Зарегистрирован: 14 окт 2012, 19:15
Сообщения: 56
Откуда: Киев, Украина
Сообщение Re: Робот-шпион. Система питания.
Aleksahdr писал(а):
Во первых не кр174ен5б, а кр142ен5б аналог LM7806. Чем же она бестолковая.

Не подходит она для батарейных систем, много энергии в тепло уходит. Да. простое включение, но... Я предпочёл бы импульсные стабилизаторы.


11 янв 2013, 07:10
Профиль

Зарегистрирован: 19 дек 2012, 17:08
Сообщения: 92
Сообщение Re: Робот-шпион. Система питания.
Фото:
Робот-шпион. Система питания.
Робот-шпион. Система питания. IMAG0125.jpg [ 20.47 Кб | Просмотров: 3245 ]
NeON писал(а):
Aleksahdr писал(а):
Во первых не кр174ен5б, а кр142ен5б аналог LM7806. Чем же она бестолковая.

Не подходит она для батарейных систем, много энергии в тепло уходит. Да. простое включение, но... Я предпочёл бы импульсные стабилизаторы.

Причем здесь стабилизаторы и батареи ? Ну это долгий разговор. Я делаю чтобы мне было просто и удобно. Вот схема питания моего робота.


11 янв 2013, 22:32
Профиль
Аватара пользователя

Зарегистрирован: 14 окт 2012, 19:15
Сообщения: 56
Откуда: Киев, Украина
Сообщение Re: Робот-шпион. Система питания.
Да при том, что много энергии батареек расходуется в тепло. Почитайте об эффективности линейных стабилизаторов.


12 янв 2013, 08:25
Профиль

Зарегистрирован: 17 сен 2012, 13:51
Сообщения: 1497
Откуда: Томская обл. г. Северск
Сообщение Re: Робот-шпион. Система питания.
Всё таки с каким напряжением нужен блок питания? 9V или 12V как на гнезде питания написано


19 мар 2013, 15:56
Профиль
Показать сообщения за:  Поле сортировки  
Ответить на тему   [ Сообщений: 304 ] 
На страницу Пред.  1 ... 8, 9, 10, 11, 12, 13, 14 ... 16  След.


   Похожие темы   Автор   Ответы   Просмотры   Последнее сообщение 
Нет новых сообщений Солнечная система №52 Конец сборки первой модели

[ На страницу: 1, 2, 3 ]

в форуме Солнечная Система

poter2010

56

27728

01 окт 2014, 18:58

zvezdo4et Перейти к последнему сообщению

Нет новых сообщений Солнечная Система - График Выхода и обсуждение

[ На страницу: 1 ... 64, 65, 66 ]

в форуме Солнечная Система

admin

1302

458393

07 янв 2025, 16:59

doctorzoom Перейти к последнему сообщению

Нет новых сообщений Солнечная система. Украина. Общие вопросы

в форуме Солнечная Система

poter2010

18

10629

15 ноя 2013, 14:15

niko Перейти к последнему сообщению

Нет новых сообщений Солнечная Система в Других Странах

в форуме Солнечная Система

poter2010

7

7263

01 май 2013, 17:18

Chemist Перейти к последнему сообщению

Нет новых сообщений Солнечная система. Сборка модели.

[ На страницу: 1, 2 ]

в форуме Солнечная Система

poter2010

21

11211

17 июн 2013, 22:50

poter2010 Перейти к последнему сообщению


Кто сейчас на конференции

Зарегистрированные пользователи: Google [Bot], ilovef1, kdmitry, Kot12, Margaritka, mishkaizpermi, QuixnorkCom, Yandex [Bot]

Православные Храмы график, Энциклопедия Таро купить, Танк Т-34 журнал, коллекция Трансформеры Прайм
Вы не можете начинать темы
Вы не можете отвечать на сообщения
Вы не можете редактировать свои сообщения
Вы не можете удалять свои сообщения
Вы не можете добавлять Фото

Найти:
Журнальные серии ДеАгостини и другие коллекционные издания Партворки.

2010-2022 Форум о журнальных коллекциях Deagosini, Ашет коллекция, Eaglemoss и других издательств.

При использовании материалов сайта активная ссылка на сайт обязательна!

Рейтинг@Mail.ru