Ответить на тему  [ Сообщений: 732 ]  На страницу Пред.  1 ... 27, 28, 29, 30, 31, 32, 33 ... 37  След.
Освещение макета, питание, автоматизация, DCC и всё с этим связанное 
Автор Сообщение
Аватара пользователя

Зарегистрирован: 03 фев 2015, 01:54
Сообщения: 1919
Откуда: Бобруйск, Беларусь
Сообщение Re: Освещение макета, питание, автоматизация, DCC и всё с этим связанное
Вообще из-за эффекта "послесвечения", свойственным экрану ЭЛТ осциллографа и собственно сетчатке человеческого глаза
пригасания салонного освещения вагонов при прохождении ими разрывов в контактах, особенно после доработок пользователем
не будут особенно заметны! Это если акцентировать свой взгляд, также большинство бытовых камер не в состоянии отобразить это!


05 фев 2016, 20:42
Профиль
Аватара пользователя

Зарегистрирован: 08 окт 2014, 11:59
Сообщения: 1892
Сообщение Re: Освещение макета, питание, автоматизация, DCC и всё с этим связанное
Всем привет, нужен совет. На фото межэтажное перекрытие поста. Два диода и резистор. Подскажите как последовательно всё спаять и подключить к блоку питания от Piko старта. Меня интересует последовательность, пожалуйста.


Фото:
Освещение макета, питание, автоматизация, DCC и всё с этим связанное
Освещение макета, питание, автоматизация, DCC и всё с этим связанное 20160211_164359.jpg [ 30.74 Кб | Просмотров: 3929 ]
11 фев 2016, 14:49
Профиль

Зарегистрирован: 30 сен 2014, 20:09
Сообщения: 237
Откуда: Пенза
Сообщение Re: Освещение макета, питание, автоматизация, DCC и всё с этим связанное
По идее, (для вумных) надо 2 резистора, перед каждым ставить свой диод. Но в реале, от + резистор к нему диод длинной ногой, к короткой ноге 1 диода - длинную второго и на -.
Но! так будет гореть только в 1 сторону движения. Что б работало в 2 надо переменку + диодный мост. А ее в пико-старте аналоговом нету.


11 фев 2016, 15:18
Профиль

Зарегистрирован: 12 мар 2015, 12:52
Сообщения: 242
Откуда: Брест
Сообщение Re: Освещение макета, питание, автоматизация, DCC и всё с этим связанное
DasModul писал(а):
Всем привет, нужен совет. На фото межэтажное перекрытие поста. Два диода и резистор. Подскажите как последовательно всё спаять и подключить к блоку питания от Piko старта. Меня интересует последовательность, пожалуйста.

я делал так: из любых четырёх диодов паял диодный мост ( тогда можно подключать и к постоянке и к переменке не заботясь о полярности) к каждому светодиоду припаивал резистор(подбирается экспериментально в зависимости от желаемой степени освещённости), и соединял с диодным мостом, всё! Работает безотказно, надёжно и при любом токе smile_01


11 фев 2016, 16:33
Профиль
Аватара пользователя

Зарегистрирован: 08 окт 2014, 11:59
Сообщения: 1892
Сообщение Re: Освещение макета, питание, автоматизация, DCC и всё с этим связанное
Мне только подсветка домика. Я в магазине спросил, мне сказали что подойдёт. Да я собственно к диодной ленте блок уже подключал.


11 фев 2016, 16:38
Профиль
Лидер раздела Железная Дорога в Миниатюре
Аватара пользователя

Зарегистрирован: 03 янв 2014, 23:30
Сообщения: 8045
Откуда: Санкт-Петербург, Колпино
Сообщение Re: Освещение макета, питание, автоматизация, DCC и всё с этим связанное
DasModul писал(а):
Мне только подсветка домика. Я в магазине спросил, мне сказали что подойдёт. Да я собственно к диодной ленте блок уже подключал.

Для того что бы подключить твоё освещение от блока питания, не нужны ни какие диодные мосты. Главное правильная полярность и резистор.
Фото:
Освещение макета, питание, автоматизация, DCC и всё с этим связанное
Освещение макета, питание, автоматизация, DCC и всё с этим связанное Scan JPEG0001.jpg [ 16.67 Кб | Просмотров: 3896 ]

Освещение макета, питание, автоматизация, DCC и всё с этим связанное
Освещение макета, питание, автоматизация, DCC и всё с этим связанное
Освещение макета, питание, автоматизация, DCC и всё с этим связанное


11 фев 2016, 18:37
Профиль
Лидер раздела Железная Дорога в Миниатюре
Аватара пользователя

Зарегистрирован: 03 янв 2014, 23:30
Сообщения: 8045
Откуда: Санкт-Петербург, Колпино
Сообщение Re: Освещение макета, питание, автоматизация, DCC и всё с этим связанное
Фото:
Освещение макета, питание, автоматизация, DCC и всё с этим связанное
Освещение макета, питание, автоматизация, DCC и всё с этим связанное faq2.jpg [ 23.85 Кб | Просмотров: 3892 ]

Освещение макета, питание, автоматизация, DCC и всё с этим связанное
Освещение макета, питание, автоматизация, DCC и всё с этим связанное
Освещение макета, питание, автоматизация, DCC и всё с этим связанное


11 фев 2016, 19:03
Профиль
Аватара пользователя

Зарегистрирован: 08 окт 2014, 11:59
Сообщения: 1892
Сообщение Re: Освещение макета, питание, автоматизация, DCC и всё с этим связанное
Именно так мне и нарисовали! Пока главное провода вывести.


11 фев 2016, 19:39
Профиль
Лидер раздела Железная Дорога в Миниатюре
Аватара пользователя

Зарегистрирован: 03 янв 2014, 23:30
Сообщения: 8045
Откуда: Санкт-Петербург, Колпино
Сообщение Re: Освещение макета, питание, автоматизация, DCC и всё с этим связанное
DasModul писал(а):
Именно так мне и нарисовали! Пока главное провода вывести.

Когда будешь ставить на макет, сделай так что бы у тебя с верху макета, остался запас провода (тобишь когда положиш домик на бок, провода не должны быть в натяжку, а свободно лежать). Ну что бы не повредить при дальнейшей работе в подмакетном пространстве.
Если заумно написал, извиняюсь. smile_04


11 фев 2016, 19:52
Профиль

Зарегистрирован: 16 ноя 2014, 20:09
Сообщения: 79
Сообщение Re: Освещение макета, питание, автоматизация, DCC и всё с этим связанное
to Leo653 "Доктор, откуда вы такие картинки берете?" (c) smile_23
LEDs wired in parallel - ладно, имеет право на существование, хотя диоды из разных партий могут светиться неравномерно.
LEDs wired in series - перепутана полярность батареи (или диодов)
LEDs wired in series/parallel combination - вообще прелесть, нижняя пара светодиодов будет светиться, средняя - еле-еле, а верхняя еще слабее.
Вообще же, для неспециалистов надо давать схемы по безотказности сравнимые с касторкой.
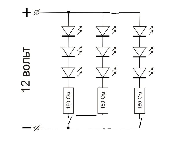
Сперва надо определиться с питанием освещения на макете. Предлагается постоянное напряжение 12 Вольт. Преимущества: стандартное (можно использовать маломощные автомобильные лампы, светодиодные ленты и т.д.), из него легко получаются 5 Вольт для питания цифровой электроники, от него работают большинство стрелочных приводов, ЖДВМовские фонари светят прилично (а что до того, что 12 В для них мало, так дольше прослужат), в конце концов можно использовать аккумулятор для покатушек при отключении электричества.
Выключатели лучше располагать в цепи минусового провода, как на рисунке из соображений в дальнейшем заменить их электронными ключами (с целью автоматического управления).
Блок питания проще всего выбрать стабилизированный на 12 В, или нестабилизированный вольт на 15-18 и поставить простейший стабилизатор на 7812 (если будет интерес, можно выложить картинки монтажных схем).
Светодиодные схемы приближенно рассчитываются довольно легко. Считаем, что на обычном красном-желтом-зеленом светодиоде падает 1,6 Вольт, на белом-синем и сверхярком красном-желтом-зеленом светодиоде - 3,2 Вольт. Максимальный ток у большинства сигнальных (не мощных осветительных) светодиодов - 20 мА. Рассчитываем резистор для схемы на рисунке. На резисторе падает 12 - (3,2*3) = 2,4 В. По закону Ома R=U/I R= 2,4/0,02 = 120 Ом. Для уменьшения яркости свечения резистор увеличиваем.
Если светодиоды красные, на резисторе падает 12 - (1,6*3) = 7,2 В. По закону Ома R=U/I R= 7,2/0,02 = 360 Ом.
(на реальной ленте резисторы 180 Ом и 390 Ом соответственно - запас, поскольку на 12-вольтовую ленту могут подать и больше).


Фото:
Освещение макета, питание, автоматизация, DCC и всё с этим связанное
Освещение макета, питание, автоматизация, DCC и всё с этим связанное светодиоды.jpg [ 20.35 Кб | Просмотров: 3837 ]


Последний раз редактировалось morshamenn1 12 фев 2016, 00:53, всего редактировалось 2 раз(а).

12 фев 2016, 00:40
Профиль

Зарегистрирован: 16 ноя 2014, 20:09
Сообщения: 79
Сообщение Re: Освещение макета, питание, автоматизация, DCC и всё с этим связанное
delete delete


12 фев 2016, 00:49
Профиль
Лидер раздела Железная Дорога в Миниатюре
Аватара пользователя

Зарегистрирован: 03 янв 2014, 23:30
Сообщения: 8045
Откуда: Санкт-Петербург, Колпино
Сообщение Re: Освещение макета, питание, автоматизация, DCC и всё с этим связанное
morshamenn1 писал(а):
to Leo653 "Доктор, откуда вы такие картинки берете?" (c) smile_23
LEDs wired in parallel - ладно, имеет право на существование, хотя диоды из разных партий могут светиться неравномерно.
LEDs wired in series - перепутана полярность батареи (или диодов)
LEDs wired in series/parallel combination - вообще прелесть, нижняя пара светодиодов будет светиться, средняя - еле-еле, а верхняя еще слабее.
Вообще же, для неспециалистов надо давать схемы по безотказности сравнимые с касторкой.
Сперва надо определиться с питанием освещения на макете. Предлагается постоянное напряжение 12 Вольт. Преимущества: стандартное (можно использовать маломощные автомобильные лампы, светодиодные ленты и т.д.), из него легко получаются 5 Вольт для питания цифровой электроники, от него работают большинство стрелочных приводов, ЖДВМовские фонари светят прилично (а что до того, что 12 В для них мало, так дольше прослужат), в конце концов можно использовать аккумулятор для покатушек при отключении электричества.
Выключатели лучше располагать в цепи минусового провода, как на рисунке
Фото:
светодиоды.jpg

из соображений в дальнейшем заменить их электронными ключами (с целью автоматического управления).
Блок питания проще всего выбрать стабилизированный на 12 В, или нестабилизированный вольт на 15-18 и поставить простейший стабилизатор на 7812 (если будет интерес, можно выложить картинки монтажных схем).
Светодиодные схемы приближенно рассчитываются довольно легко. Считаем, что на обычном красном-желтом-зеленом светодиоде падает 1,6 Вольт, на белом-синем и сверхярком красном-желтом-зеленом светодиоде - 3,2 Вольт. Максимальный ток у большинства сигнальных (не мощных осветительных) светодиодов - 20 мА. Рассчитываем резистор для схемы на рисунке. На резисторе падает 12 - (3,2*3) = 2,4 В. По закону Ома R=U/I R= 2,4/0,02 = 120 Ом. Для уменьшения яркости свечения резистор увеличиваем.
Если светодиоды красные, на резисторе падает 12 - (1,6*3) = 7,2 В. По закону Ома R=U/I R= 7,2/0,02 = 360 Ом.
(на реальной ленте резисторы 180 Ом и 390 Ом соответственно - запас, поскольку на 12-вольтовую ленту могут подать и больше).

Спасибо за подсказку smile_09 . Сразу и не увидел, что там ошибка в указании полярности smile_04 . Я её убрал. Буду внимательнее.
А вы пожалуйста по чаще заходите, делиться знаниями и опытом smile_23
Да, пожалуйста если можете, выложите.


12 фев 2016, 00:54
Профиль
Аватара пользователя

Зарегистрирован: 03 фев 2015, 01:54
Сообщения: 1919
Откуда: Бобруйск, Беларусь
Сообщение Re: Освещение макета, питание, автоматизация, DCC и всё с этим связанное
Согласно своих наблюдений и практики, сообщаю, что красные светодиоды марки АЛ307 потребляют весьма малый ток порядка 1,5 ма,
что достаточно для его нормального (яркого) свечения, тогда как жёлтым и зелёным светодиодам (той же марки) необходимо в 10х больше
(но горят тускло или средне, при увеличении тока яркость не возрастает). Большинство их современных аналогов ведут себя аналогично!
smile_15 - Будьте бдительны, аккуратно выбирайте режимы свд. опытным путём и уточняйте даташиты в Интернете!


12 фев 2016, 01:31
Профиль
Аватара пользователя

Зарегистрирован: 28 июл 2014, 11:32
Сообщения: 3770
Откуда: СССР, Пермь
Сообщение Re: Освещение макета, питание, автоматизация, DCC и всё с этим связанное
Получил цифровой пульт управления от одного коллеги по форуму...
спасибо. smile_01
изучаю мануал и приписки к нему


Фото:
Освещение макета, питание, автоматизация, DCC и всё с этим связанное
Освещение макета, питание, автоматизация, DCC и всё с этим связанное DSC_0519.JPG [ 31.91 Кб | Просмотров: 3787 ]
12 фев 2016, 12:19
Профиль
Аватара пользователя

Зарегистрирован: 28 июл 2014, 11:32
Сообщения: 3770
Откуда: СССР, Пермь
Сообщение Re: Освещение макета, питание, автоматизация, DCC и всё с этим связанное
c утреца завелся я на ПУ и подключил оба ... что получилося - https://youtu.be/_cCilg29qSY


13 фев 2016, 09:15
Профиль
Аватара пользователя

Зарегистрирован: 24 сен 2014, 21:52
Сообщения: 2079
Откуда: Тверь
Сообщение Re: Освещение макета, питание, автоматизация, DCC и всё с этим связанное
mishkaizpermi писал(а):
c утреца завелся я на ПУ и подключил оба ... что получилося - https://youtu.be/_cCilg29qSY

А свет в Аляске что не включил? smile_23


13 фев 2016, 13:32
Профиль
Аватара пользователя

Зарегистрирован: 28 июл 2014, 11:32
Сообщения: 3770
Откуда: СССР, Пермь
Сообщение Re: Освещение макета, питание, автоматизация, DCC и всё с этим связанное
DmitriyMir писал(а):
mishkaizpermi писал(а):
c утреца завелся я на ПУ и подключил оба ... что получилося - https://youtu.be/_cCilg29qSY

А свет в Аляске что не включил? smile_23

забыл... smile_04


13 фев 2016, 18:49
Профиль
Аватара пользователя

Зарегистрирован: 08 окт 2014, 11:59
Сообщения: 1892
Сообщение Re: Освещение макета, питание, автоматизация, DCC и всё с этим связанное
mishkaizpermi писал(а):
c утреца завелся я на ПУ и подключил оба ... что получилося - https://youtu.be/_cCilg29qSY

А о чём это видео? И темно так, что не разобрать где поезд, может шторы раздвинуть, неделю уже солнце светит smile_23


14 фев 2016, 09:20
Профиль
Аватара пользователя

Зарегистрирован: 28 июл 2014, 11:32
Сообщения: 3770
Откуда: СССР, Пермь
Сообщение Re: Освещение макета, питание, автоматизация, DCC и всё с этим связанное
DasModul писал(а):
mishkaizpermi писал(а):
c утреца завелся я на ПУ и подключил оба ... что получилося - https://youtu.be/_cCilg29qSY

А о чём это видео? И темно так, что не разобрать где поезд, может шторы раздвинуть, неделю уже солнце светит smile_23

с утреца я ... солнце тока после двух дня в мои окна заглянет... хата окнами на юго-запад выходит.


14 фев 2016, 11:02
Профиль
Аватара пользователя

Зарегистрирован: 24 сен 2014, 21:52
Сообщения: 2079
Откуда: Тверь
Сообщение Re: Освещение макета, питание, автоматизация, DCC и всё с этим связанное
DasModul писал(а):
А о чём это видео? И темно так, что не разобрать где поезд, может шторы раздвинуть, неделю уже солнце светит smile_23

Отвечу за Михаила. Это видео о том, как на одних рельсах реализовано раздельное управление цифровым (Аляска) и аналоговым (паровоз Трикс) локами. Как давно кто-то писал - этот фокус осуществим с помощью пультов старых моделей.


14 фев 2016, 15:26
Профиль
Показать сообщения за:  Поле сортировки  
Ответить на тему   [ Сообщений: 732 ] 
На страницу Пред.  1 ... 27, 28, 29, 30, 31, 32, 33 ... 37  След.


   Похожие темы   Автор   Ответы   Просмотры   Последнее сообщение 
Нет новых сообщений Проекты расширения макета, железной дороги в миниатюре.

[ На страницу: 1, 2, 3, 4, 5 ]

в форуме Вопросы и ответы по сборке макета

SEDOI

82

38501

25 ноя 2014, 22:10

SEDOI Перейти к последнему сообщению

Нет новых сообщений Объекты для макета своими руками (здания, транспорт и т.д.)

[ На страницу: 1 ... 24, 25, 26 ]

в форуме Вопросы и ответы по сборке макета

nikitaKA

500

180556

20 апр 2021, 11:02

Nils39 Перейти к последнему сообщению

Нет новых сообщений Генератор надписей населённых пунктов и улиц для макета

в форуме Вопросы и ответы по сборке макета

DasModul

0

5298

24 авг 2016, 13:56

DasModul Перейти к последнему сообщению

Нет новых сообщений Расположение макета в нетрадиционных местах ;-)

в форуме Вопросы и ответы по сборке макета

xronik

19

23756

18 дек 2014, 19:25

Tatum Перейти к последнему сообщению

Нет новых сообщений Wunderbaum: Самоделки и объекты для макета

в форуме Макеты пользователей

Wunderbaum

1

5128

03 апр 2017, 23:47

Wunderbaum Перейти к последнему сообщению


Кто сейчас на конференции

Зарегистрированные пользователи: awatar, Google [Bot], Google Image [Bot], Yandex [Bot]

где купить Минералы Сокровища Земли, видео сборка корабля черная жемчужина, сколько выпусков Животные Леса, Мир Математики сколько выпусков
Вы не можете начинать темы
Вы не можете отвечать на сообщения
Вы не можете редактировать свои сообщения
Вы не можете удалять свои сообщения
Вы не можете добавлять Фото

Найти:
Журнальные серии ДеАгостини и другие коллекционные издания Партворки.

2010-2022 Форум о журнальных коллекциях Deagosini, Ашет коллекция, Eaglemoss и других издательств.

При использовании материалов сайта активная ссылка на сайт обязательна!

Рейтинг@Mail.ru