Ответить на тему  [ Сообщений: 732 ]  На страницу Пред.  1 ... 16, 17, 18, 19, 20, 21, 22 ... 37  След.
Освещение макета, питание, автоматизация, DCC и всё с этим связанное 
Автор Сообщение

Зарегистрирован: 18 окт 2014, 15:28
Сообщения: 197
Сообщение Re: Освещение макета, питание, автоматизация, DCC и всё с этим связанное
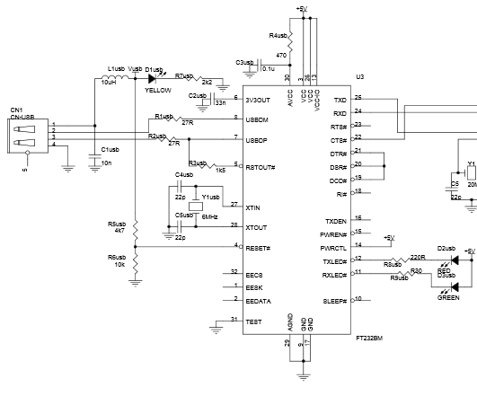
У меня только последовательный порт COM1 ,больше никаких нет.При подключении genli ничего не высвечивается и дрова в автоматическом режиме не хочет ставить.


31 мар 2015, 14:44
Профиль

Зарегистрирован: 23 сен 2011, 09:00
Сообщения: 140
Откуда: г. Александров
Сообщение Re: Освещение макета, питание, автоматизация, DCC и всё с этим связанное
shapca писал(а):
У меня только последовательный порт COM1 ,больше никаких нет.При подключении genli ничего не высвечивается и дрова в автоматическом режиме не хочет ставить.

ищите в цепях FT232BM ( а неопознанные устройства не появляются? )
Фото:
Освещение макета, питание, автоматизация, DCC и всё с этим связанное
Освещение макета, питание, автоматизация, DCC и всё с этим связанное ft.PNG [ 22.19 Кб | Просмотров: 4160 ]


31 мар 2015, 15:08
Профиль

Зарегистрирован: 18 окт 2014, 15:28
Сообщения: 197
Сообщение Re: Освещение макета, питание, автоматизация, DCC и всё с этим связанное
Неопознанные тоже не появляются хотя прогрaматор работает от COM1


31 мар 2015, 17:43
Профиль

Зарегистрирован: 23 сен 2011, 09:00
Сообщения: 140
Откуда: г. Александров
Сообщение Re: Освещение макета, питание, автоматизация, DCC и всё с этим связанное
shapca писал(а):
Неопознанные тоже не появляются хотя прогрaматор работает от COM1

а программатор тоже по USB подключаете?

вот у меня без драйверов
Фото:
Освещение макета, питание, автоматизация, DCC и всё с этим связанное
Освещение макета, питание, автоматизация, DCC и всё с этим связанное Снимок.PNG [ 4.26 Кб | Просмотров: 4096 ]


31 мар 2015, 21:34
Профиль

Зарегистрирован: 18 окт 2014, 15:28
Сообщения: 197
Сообщение Re: Освещение макета, питание, автоматизация, DCC и всё с этим связанное
Через COM порт.Кстате программатор тоже никак не определяется.Но он работает.Есть 4 каких то generic usb и 1 neodio usb.


31 мар 2015, 23:53
Профиль

Зарегистрирован: 23 сен 2011, 09:00
Сообщения: 140
Откуда: г. Александров
Сообщение Re: Освещение макета, питание, автоматизация, DCC и всё с этим связанное
shapca писал(а):
Через COM порт.Кстате программатор тоже никак не определяется.Но он работает.Есть 4 каких то generic usb и 1 neodio usb.

если через СОМ порт, то и не должен определяться (программатор)
проверьте (аккуратно ) напряжения 5в во всех точках указанных на схеме
попробуйте воткнуться в другой порт USB
в моем Gen-Li я использовал СР1202 (просто он был )


01 апр 2015, 08:37
Профиль

Зарегистрирован: 18 окт 2014, 15:28
Сообщения: 197
Сообщение Re: Освещение макета, питание, автоматизация, DCC и всё с этим связанное
У меня gen-li вобще не от usb а от Com порта.


02 апр 2015, 21:17
Профиль

Зарегистрирован: 18 окт 2014, 15:28
Сообщения: 197
Сообщение Re: Освещение макета, питание, автоматизация, DCC и всё с этим связанное
Нашол переходник RS232-USB .Все заработало ,осталось Rocreil настроить.


03 апр 2015, 14:23
Профиль

Зарегистрирован: 18 окт 2014, 15:28
Сообщения: 197
Сообщение Re: Освещение макета, питание, автоматизация, DCC и всё с этим связанное
Подскажите кто настраивал программу (и какую лутще)Управление макетом с пк.


03 апр 2015, 23:16
Профиль

Зарегистрирован: 21 авг 2014, 13:01
Сообщения: 900
Откуда: ПерҌмъ
Сообщение Re: Освещение макета, питание, автоматизация, DCC и всё с этим связанное
shapca писал(а):
Подскажите кто настраивал программу (и какую лутще)Управление макетом с пк.

основных три:
платная TrainController™ http://www.freiwald.com/pages/index.html есть её "бесплатный" урезанный вариант "Rocomotion" для устройств от Roco (и тех что могут прикинуться ими smile_03 ) http://www.freiwald.com/pages/rocomotion.htm
бесплатные (но некоторые очень продвинутые функции доступны после пожертвования и получения лицензии)
JMRI http://jmri.sourceforge.net/
RocRail http://wiki.rocrail.net/


06 апр 2015, 07:42
Профиль

Зарегистрирован: 18 окт 2014, 15:28
Сообщения: 197
Сообщение Re: Освещение макета, питание, автоматизация, DCC и всё с этим связанное
JMRI и RocRail я установил .Но как настроить их на работу с Nano .Там список довольно большой.RocRail пишет либо время истекло либо не может подсоединится.


06 апр 2015, 08:26
Профиль

Зарегистрирован: 21 авг 2014, 13:01
Сообщения: 900
Откуда: ПерҌмъ
Сообщение Re: Освещение макета, питание, автоматизация, DCC и всё с этим связанное
shapca писал(а):
JMRI и RocRail я установил .Но как настроить их на работу с Nano .Там список довольно большой.RocRail пишет либо время истекло либо не может подсоединится.
у рокрейла две части: сервер (его нужно в первую очередь настраивать и запускать) и "морды" (графические клиенты).
причем они могут запускаться как на одном устройстве так и на куче отдельных и разнотипных в сети (даже через инет).
видимо её и запустил, а сервер нет. читай инструкцию на русском:
http://scaletrainsclub.com/board/viewto ... =24&t=3090
http://scaletrainsclub.com/portal/image ... p%20RU.pdf
http://forum.modelldepo.ru/forumdisplay.php?f=211

у JMRI НЯП аналогично сервер и "морды"
http://scaletrainsclub.com/board/viewto ... hilit=jmri
http://forum.modelldepo.ru/showthread.php?t=16823
http://scaletrainsclub.com/board/viewto ... hilit=jmri


06 апр 2015, 09:06
Профиль

Зарегистрирован: 13 ноя 2014, 21:25
Сообщения: 11
Сообщение Re: Освещение макета, питание, автоматизация, DCC и всё с этим связанное
Ребят, прошу прощения, может быть уже обсуждалось, но что-то вылетело из головы.
Подскажите, пожалуйста, все же какое напряжение будет давать блок питания, который планируется (если все же это произойдет) поставлять вместе с обещанным локомотивом? Была информация, вроде 14В, в инете пишут , что обычно у аналоговых ЖД 12В, кто-то пишет, что 16В.
Есть точная информация?
А то хочется поэкспериментировать с освещением вагончиков, а на какое макс. напряжение рассчитывать - непонятно.


09 апр 2015, 16:02
Профиль

Зарегистрирован: 10 ноя 2014, 14:24
Сообщения: 203
Откуда: Москва
Сообщение Re: Освещение макета, питание, автоматизация, DCC и всё с этим связанное
Вариант перевода стрелок.
http://www.micromark.com/html_pages/instructions/83201i/83201-switch-tender-inst.pdf


09 апр 2015, 16:37
Профиль

Зарегистрирован: 21 авг 2014, 13:01
Сообщения: 900
Откуда: ПерҌмъ
Сообщение Re: Освещение макета, питание, автоматизация, DCC и всё с этим связанное
DmitryD писал(а):
знакомый пробовал такие моторы - не понравилось, тк нужно всегда держать под напряжением (но они при этом греются не слабо), иначе нечеткое переключение, при снятии питания - редуктор не держит, правда подмакетник был из пенопласта, поменял все на "черепашки"


09 апр 2015, 20:20
Профиль

Зарегистрирован: 26 мар 2015, 21:38
Сообщения: 89
Откуда: РБ г. Брест
Сообщение Re: Освещение макета, питание, автоматизация, DCC и всё с этим связанное
Всем привет вчера своял из подручных материалов фонарь для перрона. Следующую фотку выложу уже с перроном и в действии


Фото:
Освещение макета, питание, автоматизация, DCC и всё с этим связанное
Освещение макета, питание, автоматизация, DCC и всё с этим связанное IMG_20150416_201434.jpg [ 27.39 Кб | Просмотров: 3572 ]
16 апр 2015, 20:27
Профиль

Зарегистрирован: 26 мар 2015, 21:38
Сообщения: 89
Откуда: РБ г. Брест
Сообщение Re: Освещение макета, питание, автоматизация, DCC и всё с этим связанное
Следующий мой фонарь


Фото:
Освещение макета, питание, автоматизация, DCC и всё с этим связанное
Освещение макета, питание, автоматизация, DCC и всё с этим связанное IMG_20150429_150921.jpg [ 30.7 Кб | Просмотров: 3470 ]
29 апр 2015, 15:29
Профиль

Зарегистрирован: 26 мар 2015, 21:38
Сообщения: 89
Откуда: РБ г. Брест
Сообщение Re: Освещение макета, питание, автоматизация, DCC и всё с этим связанное
Изготовил его из Трубочки от Чупа-Чупса, Светодиода (5 мм) и трубочки от ватной палочки


Фото:
Освещение макета, питание, автоматизация, DCC и всё с этим связанное
Освещение макета, питание, автоматизация, DCC и всё с этим связанное IMG_20150429_151027.jpg [ 30.84 Кб | Просмотров: 3468 ]
29 апр 2015, 15:32
Профиль

Зарегистрирован: 10 ноя 2014, 14:24
Сообщения: 203
Откуда: Москва
Сообщение Re: Освещение макета, питание, автоматизация, DCC и всё с этим связанное
Нашел интересную статейку:
http://radiokot.ru/konkursCatDay2014/28/


07 май 2015, 14:42
Профиль
Аватара пользователя

Зарегистрирован: 11 сен 2014, 12:57
Сообщения: 371
Сообщение Re: Освещение макета, питание, автоматизация, DCC и всё с этим связанное
DmitryD писал(а):
Нашел интересную статейку:
http://radiokot.ru/konkursCatDay2014/28/

Мсье знает толк. Причём весьма.
Это ж надо так заморочиться, и исполнить всё вполне качественно, но со своим протоколом и вообще под себя.
Статья очень интересная, но более заинтересовали ссылки в конце. Подписался на yahoo группу, например.


08 май 2015, 09:22
Профиль
Показать сообщения за:  Поле сортировки  
Ответить на тему   [ Сообщений: 732 ] 
На страницу Пред.  1 ... 16, 17, 18, 19, 20, 21, 22 ... 37  След.


   Похожие темы   Автор   Ответы   Просмотры   Последнее сообщение 
Нет новых сообщений Генератор надписей населённых пунктов и улиц для макета

в форуме Вопросы и ответы по сборке макета

DasModul

0

5302

24 авг 2016, 13:56

DasModul Перейти к последнему сообщению

Нет новых сообщений Проекты расширения макета, железной дороги в миниатюре.

[ На страницу: 1, 2, 3, 4, 5 ]

в форуме Вопросы и ответы по сборке макета

SEDOI

82

38613

25 ноя 2014, 22:10

SEDOI Перейти к последнему сообщению

Нет новых сообщений Объекты для макета своими руками (здания, транспорт и т.д.)

[ На страницу: 1 ... 24, 25, 26 ]

в форуме Вопросы и ответы по сборке макета

nikitaKA

500

180801

20 апр 2021, 11:02

Nils39 Перейти к последнему сообщению

Нет новых сообщений Расположение макета в нетрадиционных местах ;-)

в форуме Вопросы и ответы по сборке макета

xronik

19

23770

18 дек 2014, 19:25

Tatum Перейти к последнему сообщению

Нет новых сообщений Wunderbaum: Самоделки и объекты для макета

в форуме Макеты пользователей

Wunderbaum

1

5157

03 апр 2017, 23:47

Wunderbaum Перейти к последнему сообщению


Кто сейчас на конференции

Зарегистрированные пользователи: DrAlex, Google [Bot], ILYAS, LanaF, Leo653, lukicher, VladimirII, Yandex [Bot]

робот шпион журнал в украине, Собери Телескоп коллекция, журнал Православные Храмы, форум Династии России
Вы не можете начинать темы
Вы не можете отвечать на сообщения
Вы не можете редактировать свои сообщения
Вы не можете удалять свои сообщения
Вы не можете добавлять Фото

Найти:
Журнальные серии ДеАгостини и другие коллекционные издания Партворки.

2010-2022 Форум о журнальных коллекциях Deagosini, Ашет коллекция, Eaglemoss и других издательств.

При использовании материалов сайта активная ссылка на сайт обязательна!

Рейтинг@Mail.ru