Ответить на тему  [ Сообщений: 286 ]  На страницу Пред.  1 ... 7, 8, 9, 10, 11, 12, 13 ... 15  След.
Тракторы №28 - ДЭТ-250 
Автор Сообщение
Лидер разделов Тракторы, Автолегенды Лучшее, Грузовики, Полицейские Машины Мира
Аватара пользователя

Зарегистрирован: 05 мар 2014, 22:21
Сообщения: 6911
Откуда: Санкт-Петербург
Сообщение Тракторы №28 - ДЭТ-250
Тракторы: история, люди, машины №28 - ДЭТ-250 фото модели, обсуждение
Дата выхода: 26.02.2016
Фото:
Тракторы №28 - ДЭТ-250
Тракторы №28 - ДЭТ-250 aviary_1455196809031.jpg [ 72.52 Кб | Просмотров: 73010 ]


07 янв 2016, 23:32
Профиль
Аватара пользователя

Зарегистрирован: 03 мар 2016, 20:49
Сообщения: 83
Откуда: Челябинск
Сообщение Re: Тракторы №28 - ДЭТ-250
НЕЛЬЗЯ на него ставить отвал от 250М2, тем более такой как на вашем фото - такие стали ставить в 1999-2000- гг - тогда новое Б.Р.О. и раздаточный редуктор ДЭТ-250 получил " в наследство" от ДЭТ-350 производство которого тогда свернули, да и ещё - в конце декабря 2015 г был собран ПОСЛЕДНИЙ ДЭТ-250 smile_13 больше их не будет...


04 мар 2016, 18:03
Профиль

Зарегистрирован: 22 ноя 2015, 13:26
Сообщения: 627
Откуда: Пенза
Сообщение Re: Тракторы №28 - ДЭТ-250
prrus писал(а):
НЕЛЬЗЯ на него ставить отвал от 250М2, тем более такой как на вашем фото - такие стали ставить в 1999-2000- гг - тогда новое Б.Р.О. и раздаточный редуктор ДЭТ-250 получил " в наследство" от ДЭТ-350 производство которого тогда свернули, да и ещё - в конце декабря 2015 г был собран ПОСЛЕДНИЙ ДЭТ-250 smile_13 больше их не будет...

Жаль, что нельзя... smile_13 У нас тоже такой будет - с ним фоток полно, а плоский стоит, конечно, на нормальных модельках, но как его делать - понять не удалось... Так что у нас будет кентавр... Ну или единорог... smile_13


04 мар 2016, 19:13
Профиль
Аватара пользователя

Зарегистрирован: 03 мар 2016, 20:49
Сообщения: 83
Откуда: Челябинск
Сообщение Re: Тракторы №28 - ДЭТ-250
гораздо больше отсутствия отвала меня огорчила некопийная ходовая - ничего даже близко к ДЭТу нет (((( хотя типов катков, бортредукторов, и ведущих колёс было несколько, но то что поставили - НИКУДА просто(((( особенно заметно что колёса однорядные, а не двойные (как должно быть) а ведущие колёса и корпус бортредуктора - это просто вытачивать новые надо (тонкие и двойные) и не такие огромные редкие зубья на венцах((((


Фото:
Тракторы №28 - ДЭТ-250
Тракторы №28 - ДЭТ-250 дэт-250_0009.jpg [ 60.61 Кб | Просмотров: 2808 ]
04 мар 2016, 19:41
Профиль

Зарегистрирован: 11 янв 2014, 18:15
Сообщения: 973
Сообщение Re: Тракторы №28 - ДЭТ-250
prrus писал(а):
НЕЛЬЗЯ на него ставить отвал от 250М2, тем более такой как на вашем фото - такие стали ставить в 1999-2000- гг - тогда новое Б.Р.О. и раздаточный редуктор ДЭТ-250 получил " в наследство" от ДЭТ-350 производство которого тогда свернули, да и ещё - в конце декабря 2015 г был собран ПОСЛЕДНИЙ ДЭТ-250 smile_13 больше их не будет...

А отгрузили ПОСЛЕДНИЙ ДЭТ-250 1 февраля...А через 25 дней вышла его модель.
"ЧТЗ отгрузил в Магнитогорск последний серийный ДЭТ-250.
Челябинский тракторный завод поставил Магнитогорскому металлургическому комбинату дизель-электрический трактор ДЭТ-250.
Как пояснили в пресс-службе предприятия, тракторостроители предлагали деловому партнеру поставить технику нового поколения, но металлурги настаивали на «классической модели», поскольку именно такие машины имеются в парке горно-обогатительного предприятия, входящего в структуру ММК. Здесь, на перемещении рудоносной породы, и предстоит трудиться отгруженному трактору.
Как отметил начальник отдела корпоративных продаж заводской службы сбыта Денис Шабалин, серийный выпуск 250-й модели на заводе сворачивается. Решение о снятии этой машины с производства принималось уже неоднократно, но всякий раз к выпуску «классики» возвращались вновь, так как спрос на этот агрегат остается. Несмотря на то, что базовая модель дизель-электрического трактора со всеми изменениями и модернизациями производится на ЧТЗ уже более полувека. Но на сей раз, говорят специалисты, трактор, сделанный для ММК, станет «последним из могикан». Событие для завода, можно сказать, историческое. Своим потребителям предприятие теперь предлагает «наследника» – более современный, удобный в эксплуатации ДЭТ-400."

http://ati.su/Media/News.aspx?ID=81204&HeadingID=514


04 мар 2016, 20:19
Профиль

Зарегистрирован: 11 янв 2014, 18:15
Сообщения: 973
Сообщение Re: Тракторы №28 - ДЭТ-250
prrus писал(а):
гораздо больше отсутствия отвала меня огорчила некопийная ходовая

Скажите - а откуда такая чудесная картинка ходовой в изометрии? И нет-ли там ещё подобных картинок по ДЭТ-у?


04 мар 2016, 21:01
Профиль
Аватара пользователя

Зарегистрирован: 30 янв 2014, 08:33
Сообщения: 3035
Откуда: Челябинск
Сообщение Re: Тракторы №28 - ДЭТ-250
ДЭТ-250
Отвал на столько же противоречив, насколько противоречив и сам трактор.
Но мне нравится.


Фото:
Тракторы №28 - ДЭТ-250
Тракторы №28 - ДЭТ-250 SAM_0649.JPG [ 60.29 Кб | Просмотров: 2744 ]
Тракторы №28 - ДЭТ-250
Тракторы №28 - ДЭТ-250 SAM_0650.JPG [ 52.18 Кб | Просмотров: 2744 ]
Тракторы №28 - ДЭТ-250
Тракторы №28 - ДЭТ-250 SAM_0651.JPG [ 57.35 Кб | Просмотров: 2744 ]
04 мар 2016, 21:35
Профиль
Аватара пользователя

Зарегистрирован: 12 янв 2012, 13:22
Сообщения: 6615
Откуда: Cаратов
Сообщение Re: Тракторы №28 - ДЭТ-250
Ну красава вообще,отлично вышло и фарики засверлил smile_01
Ещё б технологию создания отвала и моя благодарность не будет знать границ.


04 мар 2016, 22:40
Профиль
Аватара пользователя

Зарегистрирован: 30 янв 2014, 08:33
Сообщения: 3035
Откуда: Челябинск
Сообщение Re: Тракторы №28 - ДЭТ-250
Junior писал(а):
Ещё б технологию создания отвала и моя благодарность не будет знать границ.

сначала макет из бумаги. потом кусочки пластика. кабель-канал и пластиковые карточки. гидроцилиндры стержень ручки и медная проволка и много много клея-супер. лист отвала в кипяток и на скалку сверху полотенцем придавить, остальное по чертежам.


Фото:
Тракторы №28 - ДЭТ-250
Тракторы №28 - ДЭТ-250 otval-buldozera-d384.gif [ 31.63 Кб | Просмотров: 2690 ]
04 мар 2016, 22:48
Профиль
Лидер разделов: Наши Автобусы, Автолегенды СССР и Грузовики
Аватара пользователя

Зарегистрирован: 19 фев 2015, 13:31
Сообщения: 13212
Сообщение Re: Тракторы №28 - ДЭТ-250
Фото:
Тракторы №28 - ДЭТ-250
Тракторы №28 - ДЭТ-250 250 1.jpg [ 66.13 Кб | Просмотров: 2688 ]


04 мар 2016, 23:07
Профиль
Аватара пользователя

Зарегистрирован: 25 сен 2013, 21:30
Сообщения: 597
Откуда: Москва
Сообщение Re: Тракторы №28 - ДЭТ-250
warhammer писал(а):
Ых! А у нас в Раменках за одну остановку от "Перекрестка" еще осенью в одной палатке "Сталинец" был, когда я КТ-12 лихорадочно разыскивал. Если поискать ,можно и сейчас найти...
warhammer писал(а):
Уже писал про С-60, но добавлю - как раз сегодня в 17:50 видел его.
Я заметил, что №5 - "Сталинец-65" вообще часто встречается на уличных лотках и в автолавках у выходов из метро. Например, рядом с "Багратионовской" видел у нескольких продавцов.


05 мар 2016, 01:07
Профиль
Лидер разделов: Наши Автобусы, Автолегенды СССР и Грузовики
Аватара пользователя

Зарегистрирован: 19 фев 2015, 13:31
Сообщения: 13212
Сообщение Re: Тракторы №28 - ДЭТ-250
Фото:
Тракторы №28 - ДЭТ-250
Тракторы №28 - ДЭТ-250 схема см.jpg [ 67.33 Кб | Просмотров: 2628 ]


05 мар 2016, 08:53
Профиль
Лидер разделов: Наши Автобусы, Автолегенды СССР и Грузовики
Аватара пользователя

Зарегистрирован: 19 фев 2015, 13:31
Сообщения: 13212
Сообщение Re: Тракторы №28 - ДЭТ-250
Фото:
Тракторы №28 - ДЭТ-250
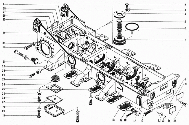
Тракторы №28 - ДЭТ-250 058.gif [ 102.5 Кб | Просмотров: 2606 ]
Фото:
Тракторы №28 - ДЭТ-250
Тракторы №28 - ДЭТ-250 062.gif [ 105.58 Кб | Просмотров: 2606 ]
Это части ходовой от ДЭТ 250 2М


05 мар 2016, 09:59
Профиль
Аватара пользователя

Зарегистрирован: 23 ноя 2014, 22:00
Сообщения: 309
Откуда: Москва
Сообщение Re: Тракторы №28 - ДЭТ-250
Mitych писал(а):
Расскажите, пожалуйста, про расположение палатки в личном сообщении. В свое время упустил Сталинца, а хотелось его заполучить.


Прощу прощения, несколько дней не заходил на форум. Вчера проходил мимо той палатки, Сталинца там, к сожалению уже нет. Остался СХТЗ-15/30 и Т-54В. Но на всякий случай расскажу про эту палатку (вдруг еще появится) здесь, что уж теперь ее скрывать-то... Значит, если выйти из м. Речной вокзал по направлению первого вагона из центра, то нужно пройти прямо до Фестивальной улицы (так вы упретесь в остановку 58-го троллейбуса), затем повернуть направо и пройти еще метров 30-40. Палатка старого типа с окошком.


05 мар 2016, 13:36
Профиль

Зарегистрирован: 01 ноя 2015, 20:48
Сообщения: 3675
Откуда: тула
Сообщение Re: Тракторы №28 - ДЭТ-250
Махнул не глядя сломанный кулер не кабину ДЭТ-320. Дальше будет море крови!


Фото:
Тракторы №28 - ДЭТ-250
Тракторы №28 - ДЭТ-250 CIMG1037.JPG [ 34.59 Кб | Просмотров: 2550 ]
Тракторы №28 - ДЭТ-250
Тракторы №28 - ДЭТ-250 CIMG1038.JPG [ 36.17 Кб | Просмотров: 2550 ]
Тракторы №28 - ДЭТ-250
Тракторы №28 - ДЭТ-250 CIMG1036.JPG [ 33.96 Кб | Просмотров: 2550 ]
05 мар 2016, 13:48
Профиль
Лидер разделов: Наши Автобусы, Автолегенды СССР и Грузовики
Аватара пользователя

Зарегистрирован: 19 фев 2015, 13:31
Сообщения: 13212
Сообщение Re: Тракторы №28 - ДЭТ-250
Фото:
Тракторы №28 - ДЭТ-250
Тракторы №28 - ДЭТ-250 075.gif [ 142.65 Кб | Просмотров: 2537 ]
Фото:
Тракторы №28 - ДЭТ-250
Тракторы №28 - ДЭТ-250 074.gif [ 99.63 Кб | Просмотров: 2537 ]
Фото:
Тракторы №28 - ДЭТ-250
Тракторы №28 - ДЭТ-250 045.gif [ 109.34 Кб | Просмотров: 2537 ]
Фото:
Тракторы №28 - ДЭТ-250
Тракторы №28 - ДЭТ-250 024.gif [ 95.27 Кб | Просмотров: 2537 ]
От старой ДЭТшки правда найти ничего путного не получается.


05 мар 2016, 14:17
Профиль
Аватара пользователя

Зарегистрирован: 03 мар 2016, 20:49
Сообщения: 83
Откуда: Челябинск
Сообщение Re: Тракторы №28 - ДЭТ-250
Цитата:
Скажите - а откуда такая чудесная картинка ходовой в изометрии? И нет-ли там ещё подобных картинок по ДЭТ-у?
Из книжки "ДЭТ-250", там 3-мерных картинок нет больше((( а в поздних "описаниях" 3-мерные рисунки 250М и то восновном внутренних агрегатов. а капот и надгусеничные полки в ней - уже от более поздней модификации - с рёбрами жёсткости на капоте, Вот если нужно - в кабине ранних ДЭТов. Обратите внимание на сидение мехвода - без амортизирующего ус-ва - просто стойка, В модели диван в кабине конечно шикарный ( и у моей супруги вызвал просто восторг )smile_20 НО... если найду то гдето в заводе видел валялась мягкая часть такого сидения, найду - сфоткаю, напоминаю - сидения в 250М - другие - с откидными подлокотниками


Фото:
Тракторы №28 - ДЭТ-250
Тракторы №28 - ДЭТ-250 дэт-250_0004.jpg [ 83.38 Кб | Просмотров: 2523 ]
Тракторы №28 - ДЭТ-250
Тракторы №28 - ДЭТ-250 IMG250_0016 - копия.jpg [ 45.9 Кб | Просмотров: 2523 ]
Тракторы №28 - ДЭТ-250
Тракторы №28 - ДЭТ-250 IMG250_0017 - копия.jpg [ 50.82 Кб | Просмотров: 2523 ]
Тракторы №28 - ДЭТ-250
Тракторы №28 - ДЭТ-250 IMG250_0011 - копия.jpg [ 36 Кб | Просмотров: 2523 ]


Последний раз редактировалось prrus 05 мар 2016, 15:19, всего редактировалось 1 раз.

05 мар 2016, 14:56
Профиль
Аватара пользователя

Зарегистрирован: 03 мар 2016, 20:49
Сообщения: 83
Откуда: Челябинск
Сообщение Re: Тракторы №28 - ДЭТ-250
Вот ещё из ходовой части раннего ДЭТа- в модели коромысла просто НЕТ, а захват почемуто раздут в обе стороны, а на моей модели ещё и приподнят трактор сильно высоко, нужно осаживать ходовую на 1.5-2 мм почти до осей опорных катков, НА катках кстати - нужно делать отверстия 1шт


Фото:
Тракторы №28 - ДЭТ-250
Тракторы №28 - ДЭТ-250 IMG250_0010 - копия (2).jpg [ 51.54 Кб | Просмотров: 2514 ]
Тракторы №28 - ДЭТ-250
Тракторы №28 - ДЭТ-250 IMG250_0009 - копия.jpg [ 72.08 Кб | Просмотров: 2514 ]
Тракторы №28 - ДЭТ-250
Тракторы №28 - ДЭТ-250 IMG250_0006 - копия.jpg [ 69.5 Кб | Просмотров: 2514 ]
Тракторы №28 - ДЭТ-250
Тракторы №28 - ДЭТ-250 IMG250_0005 - копия.jpg [ 58.44 Кб | Просмотров: 2514 ]
Тракторы №28 - ДЭТ-250
Тракторы №28 - ДЭТ-250 дэт-250_0010.jpg [ 46.8 Кб | Просмотров: 2514 ]
05 мар 2016, 15:10
Профиль

Зарегистрирован: 22 ноя 2015, 13:26
Сообщения: 627
Откуда: Пенза
Сообщение Re: Тракторы №28 - ДЭТ-250
А вот интересно, почему у него на всех окнах как бы резиновые уплотнители, а на дверных окнах их нет? Это символизирует отсутствие в дверях стекол, или еще что-нибудь?


06 мар 2016, 00:36
Профиль
Аватара пользователя

Зарегистрирован: 05 янв 2016, 17:17
Сообщения: 629
Откуда: М.О.
Сообщение Re: Тракторы №28 - ДЭТ-250
alolbys писал(а):
А вот интересно, почему у него на всех окнах как бы резиновые уплотнители, а на дверных окнах их нет? Это символизирует отсутствие в дверях стекол, или еще что-нибудь?

Так выглядит опускное стекло ( стеклоподъёмник ).


06 мар 2016, 00:57
Профиль
Аватара пользователя

Зарегистрирован: 08 июл 2015, 12:27
Сообщения: 1303
Откуда: Москва
Сообщение Re: Тракторы №28 - ДЭТ-250
kolenval писал(а):
Махнул не глядя сломанный кулер не кабину ДЭТ-320. Дальше будет море крови!


Жаль что не нашлось кабины от ДЗ-132-1КЗ
Меньше было бы пилить. smile_01

А у меня всё сохнет. завтра днем надеюсь закончить это гиблое дело - монтаж бульдозера. Кроме поддерж. катков все будет на месте.


Фото:
Тракторы №28 - ДЭТ-250
Тракторы №28 - ДЭТ-250 ДЭТ-250dozer.JPG [ 38.32 Кб | Просмотров: 2373 ]
06 мар 2016, 01:45
Профиль
Показать сообщения за:  Поле сортировки  
Ответить на тему   [ Сообщений: 286 ] 
На страницу Пред.  1 ... 7, 8, 9, 10, 11, 12, 13 ... 15  След.


   Похожие темы   Автор   Ответы   Просмотры   Последнее сообщение 
Нет новых сообщений Тракторы №33 - МТЗ-52 "Беларусь"

[ На страницу: 1 ... 5, 6, 7 ]

в форуме Тракторы: история, люди, машины

autosssr

128

91849

05 окт 2017, 17:39

frenchfarmer Перейти к последнему сообщению

Нет новых сообщений Тракторы №10 - Т-25А "Владимирец"

[ На страницу: 1, 2, 3, 4 ]

в форуме Тракторы: история, люди, машины

autosssr

70

88130

15 окт 2018, 10:42

Junior Перейти к последнему сообщению

Нет новых сообщений Тракторы №106 - К-424 "Кировец"

[ На страницу: 1 ... 5, 6, 7 ]

в форуме Тракторы: история, люди, машины

autosssr

132

60122

03 май 2019, 21:07

autosssr Перейти к последнему сообщению

Нет новых сообщений Тракторы №36 - "Коммунар"

[ На страницу: 1 ... 5, 6, 7 ]

в форуме Тракторы: история, люди, машины

autosssr

124

87834

14 окт 2019, 01:32

Maigret Перейти к последнему сообщению

Нет новых сообщений Тракторы №80 - СШ-75 "Таганрожец"

[ На страницу: 1, 2, 3, 4, 5 ]

в форуме Тракторы: история, люди, машины

autosssr

84

62260

02 фев 2019, 19:08

injector77 Перейти к последнему сообщению


Кто сейчас на конференции

Зарегистрированные пользователи: DannyEminy, Google [Bot], kdmitry, stas, Yandex [Bot]

модель парусника черная жемчужина, Соберите модель Танка Т-34, сколько выпусков Коллекционные Карманные Часы, журнал дом моей мечты в украине
Вы не можете начинать темы
Вы не можете отвечать на сообщения
Вы не можете редактировать свои сообщения
Вы не можете удалять свои сообщения
Вы не можете добавлять Фото

Найти:
Журнальные серии ДеАгостини и другие коллекционные издания Партворки.

2010-2022 Форум о журнальных коллекциях Deagosini, Ашет коллекция, Eaglemoss и других издательств.

При использовании материалов сайта активная ссылка на сайт обязательна!

Рейтинг@Mail.ru