Ответить на тему  [ Сообщений: 7950 ]  На страницу Пред.  1 ... 45, 46, 47, 48, 49, 50, 51 ... 398  След.
Железная Дорога в Миниатюре - Болталка 
Автор Сообщение
Аватара пользователя

Зарегистрирован: 24 сен 2014, 21:52
Сообщения: 2079
Откуда: Тверь
Сообщение Re: Железная Дорога в Миниатюре - Болталка
Fulcrum писал(а):
Все несколько сложнее.
Вот тут мого про это написано
http://forum.modelldepo.ru/showthread.php?t=1627&highlight=%F1%E2%E5%F2%EE%E4%E8%EE%E4


Да, но вряд ли имеет смысл с этим заморачиваться, тем более на аналоге. Проще уж декодер купить. Стабилитронный каскад, чтобы яркость от скорости сильно не зависела, ещё запихнуть куда-то надо. Но для диодов это и не принципиально - белые прилично светят уже при токе 2-3 мА, а допустимый - 20 мА. С ростом тока яркость меняется не так уж и сильно. Т.е. правильно подобрав резистор можно обеспечить хорошее свечение во всём диапазоне скоростей.


24 ноя 2014, 21:43
Профиль
Аватара пользователя

Зарегистрирован: 24 сен 2014, 21:52
Сообщения: 2079
Откуда: Тверь
Сообщение Re: Железная Дорога в Миниатюре - Болталка
Leo653 писал(а):
У меня три белых впереди и два красных сзади. Мне нужно, чтоб они все пять вместе горели не зависимо от направления движения, а когда стоит - ничего не горит. Места расположения смотри на фото.


Тогда просто подключайте через мост, как на вашей схеме. Мосты выпускаются готовыми в одном корпусе. И откажитесь от соблазна установки резисторов на каждый светодиод.


24 ноя 2014, 21:48
Профиль
Лидер раздела Железная Дорога в Миниатюре
Аватара пользователя

Зарегистрирован: 03 янв 2014, 23:30
Сообщения: 8489
Откуда: Санкт-Петербург, Колпино
Сообщение Re: Железная Дорога в Миниатюре - Болталка
DmitriyMir писал(а):
Leo653 писал(а):
У меня три белых впереди и два красных сзади. Мне нужно, чтоб они все пять вместе горели не зависимо от направления движения, а когда стоит - ничего не горит. Места расположения смотри на фото.


Тогда просто подключайте через мост, как на вашей схеме. Мосты выпускаются готовыми в одном корпусе. И откажитесь от соблазна установки резисторов на каждый светодиод.

Но один резистор можно ставить если диоды последовательны, а если по отдельности или параллельно, то нужно ставить на каждый диод.


24 ноя 2014, 22:12
Профиль
Аватара пользователя

Зарегистрирован: 24 сен 2014, 21:52
Сообщения: 2079
Откуда: Тверь
Сообщение Re: Железная Дорога в Миниатюре - Болталка
Leo653 писал(а):
DmitriyMir писал(а):
Но один резистор можно ставить если диоды последовательны, а если по отдельности или параллельно, то нужно ставить на каждый диод.

По-отдельности к источнику - да, а параллельно - не обязательно, диодов-то немного, можно тоже один в общем проводе, идущем к ним. Главное чтоб мощность соответствовала и резистор будет большего номинала, чем при последовательном подключении. Цепей у вас будет две - вперёд и назад, ставьте два резистора, номинал которых подберёте в зависимости от схемы. А вообще во всех светодиодных фонарях и ленте группы светодиодов соединяют последовательно.


Последний раз редактировалось DmitriyMir 24 ноя 2014, 22:26, всего редактировалось 1 раз.



24 ноя 2014, 22:23
Профиль
Лидер раздела Железная Дорога в Миниатюре
Аватара пользователя

Зарегистрирован: 03 янв 2014, 23:30
Сообщения: 8489
Откуда: Санкт-Петербург, Колпино
Сообщение Re: Железная Дорога в Миниатюре - Болталка
А какой диодный мост посоветуешь?
КЦ405 мне кажется большой и очень мощный


24 ноя 2014, 22:26
Профиль
Аватара пользователя

Зарегистрирован: 24 сен 2014, 21:52
Сообщения: 2079
Откуда: Тверь
Сообщение Re: Железная Дорога в Миниатюре - Болталка
Leo653 писал(а):
А какой диодный мост посоветуешь?


Ну их великое множество... Мощность слишком мала, скорее размеры важны, чтоб влезло. Спаять можно из 4 маленьких, что в зарядных устройствах используются как выпрямители. В надписях на корпусе разберётесь без проблем. "-", "+" - питают диоды, АС - переменный ток от двигателя.


Фото:
Железная Дорога в Миниатюре - Болталка
Железная Дорога в Миниатюре - Болталка епер.jpg [ 4.64 Кб | Просмотров: 1702 ]
Железная Дорога в Миниатюре - Болталка
Железная Дорога в Миниатюре - Болталка ра.jpg [ 5.04 Кб | Просмотров: 1702 ]


Последний раз редактировалось DmitriyMir 24 ноя 2014, 22:35, всего редактировалось 1 раз.

24 ноя 2014, 22:32
Профиль
Лидер раздела Железная Дорога в Миниатюре
Аватара пользователя

Зарегистрирован: 03 янв 2014, 23:30
Сообщения: 8489
Откуда: Санкт-Петербург, Колпино
Сообщение Re: Железная Дорога в Миниатюре - Болталка
DmitriyMir писал(а):
Leo653 писал(а):
А какой диодный мост посоветуешь?


Ну их великое множество... Мощность слишком мала, скорее размеры важны, чтоб влезло. Спаять можно из 4 маленьких, что в зарядных устройствах используются как выпрямители. В надписях на корпусе разберётесь без проблем.

Спасибо за подсказку.


24 ноя 2014, 22:34
Профиль
Аватара пользователя

Зарегистрирован: 24 сен 2014, 21:52
Сообщения: 2079
Откуда: Тверь
Сообщение Re: Железная Дорога в Миниатюре - Болталка
Leo653 писал(а):
Спасибо за подсказку.

Если диод не влезает в отверстие корпуса лока, чтобы не уродовать его рассверливанием, линзу диода можно обточить. Для этого находим втулку, кусок металлической трубки с отверстием нужного диаметра. Затем ножовкой по центру делаем с торца пропил на глубину 2-3 мм. Втулку зажимаем в шуруповерт и держа диод рукой, аккуратно и ровно пихаем его во вращающуюся втулку.


24 ноя 2014, 22:46
Профиль
Аватара пользователя

Зарегистрирован: 04 сен 2014, 11:32
Сообщения: 852
Откуда: РФ г. Москва
Сообщение Re: Железная Дорога в Миниатюре - Болталка
DmitriyMir писал(а):
А вообще во всех светодиодных фонарях и ленте группы светодиодов соединяют последовательно.

Производители лент не заморачиваются таким понятием "наработка на отказ".
При последовательном соединении вероятность отказа "цепочки" грубо говоря суммируется из вероятностей оказов каждого элемента.
Разработчики последовательно каждому (свето)диоду вешают баллансный резистор - только потому, чтобы точно обеспечить ток эго потребления. Отклонения в ту или иную сторону сказывается на долговечности диода. Оно конесно тысяч 50 часов, но то в идеале....


24 ноя 2014, 23:03
Профиль
Аватара пользователя

Зарегистрирован: 04 сен 2014, 11:32
Сообщения: 852
Откуда: РФ г. Москва
Сообщение Re: Железная Дорога в Миниатюре - Болталка
DmitriyMir писал(а):
Если диод не влезает в отверстие корпуса лока

Поступал несколько по другому - зажимал диод в патрон дрели и обтачивал надфилем. Правда нужна твердая рука и штангециркуль для контроля диаметра.


24 ноя 2014, 23:05
Профиль
Аватара пользователя

Зарегистрирован: 24 сен 2014, 21:52
Сообщения: 2079
Откуда: Тверь
Сообщение Re: Железная Дорога в Миниатюре - Болталка
Fulcrum писал(а):
DmitriyMir писал(а):
Если диод не влезает в отверстие корпуса лока

Поступал несколько по другому - зажимал диод в патрон дрели и обтачивал надфилем. Правда нужна твердая рука и штангециркуль для контроля диаметра.

Возни больше, а моим способом точный диаметр обеспечивается самой втулкой - можно за 10 минут ...дцать штук обточить абсолютно одинаковых корпусов. Шуруповёрт при этом стоит на столе неподвижно.


24 ноя 2014, 23:10
Профиль
Аватара пользователя

Зарегистрирован: 24 сен 2014, 21:52
Сообщения: 2079
Откуда: Тверь
Сообщение Re: Железная Дорога в Миниатюре - Болталка
Fulcrum писал(а):
DmitriyMir писал(а):
А вообще во всех светодиодных фонарях и ленте группы светодиодов соединяют последовательно.

Производители лент не заморачиваются таким понятием "наработка на отказ".
При последовательном соединении вероятность отказа "цепочки" грубо говоря суммируется из вероятностей оказов каждого элемента.
Разработчики последовательно каждому (свето)диоду вешают баллансный резистор - только потому, чтобы точно обеспечить ток эго потребления. Отклонения в ту или иную сторону сказывается на долговечности диода. Оно конесно тысяч 50 часов, но то в идеале....


Есть ещё "средняя наработка на отказ" и "гамма-процентная наработка до отказа" smile_08 smile_08 smile_08 3 диода на 5 см в ленте - не так много, а фонари в автомобилях переживают сам автомобиль.


24 ноя 2014, 23:12
Профиль

Зарегистрирован: 21 авг 2014, 13:01
Сообщения: 918
Откуда: ПерҌмъ
Сообщение Re: Железная Дорога в Миниатюре - Болталка
DmitriyMir писал(а):
параллельно - не обязательно, диодов-то немного, можно тоже один в общем проводе, идущем к ним.
это очень неверно и будет работать только , если светодиоды одного цвета и из одной партии. Если брать разные цвета или разные модели, то у них немного разное минимальное рабочее напряжение и токи. Пробовал параллельно сажать все цвета на один резистор - синий, зеленый, желтый, красный и белый НЯП красный гореть отказывался в комбинации с любым другим цветом.

диодный мост можно из тех же светодиодов с резисторами сделать ;-) но только если нагрузка совсем маленькая. smile_08


25 ноя 2014, 07:55
Профиль

Зарегистрирован: 29 сен 2014, 21:14
Сообщения: 46
Откуда: Пенза
Сообщение Re: Железная Дорога в Миниатюре - Болталка
http://labaz.radiokot.ru/catalog/category/4-

-может кому пригодится?


25 ноя 2014, 08:01
Профиль
Аватара пользователя

Зарегистрирован: 18 сен 2014, 09:39
Сообщения: 218
Откуда: Нижний Новгород
Сообщение Re: Железная Дорога в Миниатюре - Болталка
Нужен точно такой или похожий корпус, только внутренности остались
По идее надо бы поставить стабилизатор по току на lm317+емкость+диодный мост будет ровно светится и на аналоге


25 ноя 2014, 10:25
Профиль

Зарегистрирован: 09 сен 2014, 15:45
Сообщения: 157
Откуда: Санкт-Петербург
Сообщение Re: Железная Дорога в Миниатюре - Болталка
Leo653 писал(а):
У меня три белых впереди и два красных сзади. Мне нужно, чтоб они все пять вместе горели не зависимо от направления движения, а когда стоит - ничего не горит. Места расположения смотри на фото.


Знатный зверюга! Поставь спереди 1 белый и 2 желтых, сзади 2 красных. Будет классно, противотуманки спереди.


25 ноя 2014, 12:34
Профиль

Зарегистрирован: 09 сен 2014, 15:45
Сообщения: 157
Откуда: Санкт-Петербург
Сообщение Re: Железная Дорога в Миниатюре - Болталка
DmitriyMir писал(а):
Leo653 писал(а):
А какой диодный мост посоветуешь?


Ну их великое множество... Мощность слишком мала, скорее размеры важны, чтоб влезло. Спаять можно из 4 маленьких, что в зарядных устройствах используются как выпрямители. В надписях на корпусе разберётесь без проблем. "-", "+" - питают диоды, АС - переменный ток от двигателя.


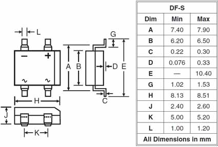
Мне больше нравится DF01S Мостовой диодный выпрямитель - [D-71]; Схема: 4Мост; Uобр: 100 В; Uпрям: 1 В; Iпрям: 1 А.
И форма корпуса и размеры позволяют его припаять прямо к диодной ленте или расположить в удобном месте. Да и емкости можно использовать чип-тантал ( для smd монтажа ), правда трудно подобрать большой емкости с нужным напряжением, но можно поставить 2 шт. Они намного компактнее выводных электролитов.


Фото:
Железная Дорога в Миниатюре - Болталка
Железная Дорога в Миниатюре - Болталка df01s.jpg [ 37.97 Кб | Просмотров: 1554 ]
Железная Дорога в Миниатюре - Болталка
Железная Дорога в Миниатюре - Болталка cond.jpg [ 35.87 Кб | Просмотров: 1549 ]
25 ноя 2014, 12:50
Профиль
Лидер раздела Железная Дорога в Миниатюре
Аватара пользователя

Зарегистрирован: 03 янв 2014, 23:30
Сообщения: 8489
Откуда: Санкт-Петербург, Колпино
Сообщение Re: Железная Дорога в Миниатюре - Болталка
Я купил вот такой диодный мост GBU4K:
Напряжение - Пиковое обратное (Макс) 800V
В настоящее время - постоянный прямой (If) 4A
Диод Тип Однофазный
Скорость Standard Recovery> 500ns,> 200 мА (Io)
Тип монтажа Выводной
Корпус (размер) GBU
Корпус GBU
Фото:
Железная Дорога в Миниатюре - Болталка
Железная Дорога в Миниатюре - Болталка DSCF2488.JPG [ 32.14 Кб | Просмотров: 1505 ]

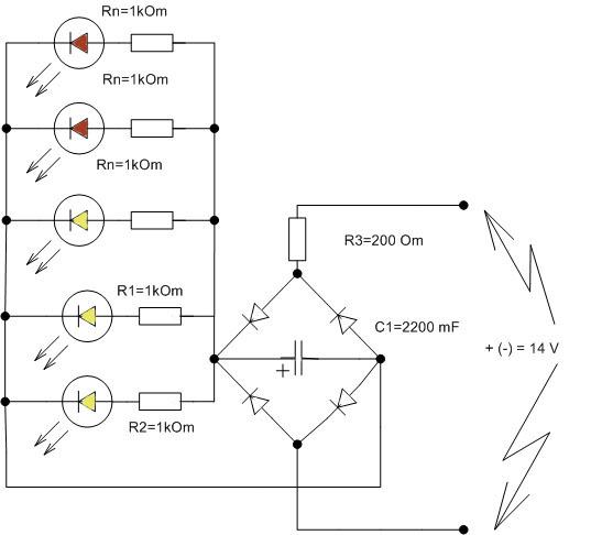
Подойдёт он для этой схемы и обязательно ли ставить перед мостом резистор или можно обойтись без него?
Фото:
Железная Дорога в Миниатюре - Болталка
Железная Дорога в Миниатюре - Болталка Sxema_DIODI_1.jpg [ 33.09 Кб | Просмотров: 1505 ]


25 ноя 2014, 17:35
Профиль

Зарегистрирован: 28 сен 2014, 11:08
Сообщения: 313
Сообщение Re: Железная Дорога в Миниатюре - Болталка
22х22 мм, 4А и 800В? Ты его точно для светодиодов в паравоз купил?:)


25 ноя 2014, 18:43
Профиль
Лидер раздела Железная Дорога в Миниатюре
Аватара пользователя

Зарегистрирован: 03 янв 2014, 23:30
Сообщения: 8489
Откуда: Санкт-Петербург, Колпино
Сообщение Re: Железная Дорога в Миниатюре - Болталка
Daredee писал(а):
22х22 мм, 4А и 800В? Ты его точно для светодиодов в паравоз купил?:)

Другого найти не удалось. А тот что мне рекомендовали RS407 - 1000В и 3А и размер у него 19,5 х 16,3 мм. Мой немного больше.
Фото:
Железная Дорога в Миниатюре - Болталка
Железная Дорога в Миниатюре - Болталка DSCF2488.JPG [ 34.07 Кб | Просмотров: 1539 ]


25 ноя 2014, 19:18
Профиль
Показать сообщения за:  Поле сортировки  
Ответить на тему   [ Сообщений: 7950 ] 
На страницу Пред.  1 ... 45, 46, 47, 48, 49, 50, 51 ... 398  След.


   Похожие темы   Автор   Ответы   Просмотры   Последнее сообщение 
Нет новых сообщений Лоскутное шитьё № 52: блок "Дорога на Оклахому", игольница "Яблоко".

в форуме Лоскутное Шитье. Красиво и легко

Divnaya

0

16133

02 сен 2015, 15:59

Divnaya Перейти к последнему сообщению

Нет новых сообщений "Бабушкин сундук" - Болталка форума "История моды"

[ На страницу: 1, 2, 3 ]

в форуме История Моды

MisterDrakon

48

122287

18 мар 2021, 00:10

Karmen Перейти к последнему сообщению

Нет новых сообщений Лоскутное шитьё № 84: блок "Дорога в Париж", оранжевая такса из цветов йо-йо.

в форуме Лоскутное Шитье. Красиво и легко

Divnaya

0

14810

27 мар 2016, 23:27

Divnaya Перейти к последнему сообщению

Нет новых сообщений Лоскутное шитьё № 16: блок "Дорога на Оклахому", сервировочные салфетки

в форуме Лоскутное Шитье. Красиво и легко

Divnaya

18

24899

27 май 2015, 18:13

sneghana Перейти к последнему сообщению

Нет новых сообщений "Назад в Будущее!" - Болталка

[ На страницу: 1, 2, 3, 4 ]

в форуме DeLorean Назад в Будущее (1/8)

autosssr

73

138974

18 сен 2022, 13:26

Vycha Перейти к последнему сообщению


Кто сейчас на конференции

Зарегистрированные пользователи: Google [Bot], Majestic-12 [Bot], Yandex [Bot], Zinyra

монеты и банкноты 6 выпуск, корабль виктори, сферы с насекомыми, шпион робот
Вы не можете начинать темы
Вы не можете отвечать на сообщения
Вы не можете редактировать свои сообщения
Вы не можете удалять свои сообщения
Вы не можете добавлять Фото

Найти:
Журнальные серии ДеАгостини и другие коллекционные издания Партворки.

2010-2022 Форум о журнальных коллекциях Deagosini, Ашет коллекция, Eaglemoss и других издательств.

При использовании материалов сайта активная ссылка на сайт обязательна!

Рейтинг@Mail.ru