Ответить на тему  [ Сообщений: 7923 ]  На страницу Пред.  1 ... 44, 45, 46, 47, 48, 49, 50 ... 397  След.
Железная Дорога в Миниатюре - Болталка 
Автор Сообщение
Аватара пользователя

Зарегистрирован: 28 июл 2014, 11:32
Сообщения: 3776
Откуда: СССР, Пермь
Сообщение Re: Железная Дорога в Миниатюре - Болталка
Leo653 писал(а):
Нужна помощь в подключении света на паровозе (на аналоге, три белых впереди, два красных сзади) чтоб горел при движении в обе стороны.

тогда надо как минимум 6 белых и четыре красных светодиода - по пять горящих в одну сторону движения паровоза.


24 ноя 2014, 14:05
Профиль

Зарегистрирован: 12 сен 2014, 10:12
Сообщения: 26
Откуда: Москва
Сообщение Re: Железная Дорога в Миниатюре - Болталка
Leo653 писал(а):
Нужна помощь в подключении света на паровозе (на аналоге, три белых впереди, два красных сзади) чтоб горел при движении в обе стороны.


Если делать на светодиодах, то нужно пропускать через диодный мост, чтобы не было разницы какая полярность, вот англоязычный умелец объяснняет как сделать немигающее освещение для вагонов, но для локомотива фары и габаритные огни будут по аналогии:

https://www.youtube.com/watch?v=w1DlEn7VIww&list=UUi1oG9JtqKvIGdo6dFj-0nw


24 ноя 2014, 14:16
Профиль

Зарегистрирован: 17 окт 2014, 12:52
Сообщения: 131
Сообщение Re: Железная Дорога в Миниатюре - Болталка
Ibexspb писал(а):
olgerdt писал(а):
На днях раздобыл 3х осный редуктор,а так как привод на моих локах на одну телегу,решил заделать лок полноценным с приводом на все оси!
Редуктор приделал без проблем,но встал вопрос с движком(ось в одну сторону).
Давно хотел поэксперементировать с движками от CD приводов и вот были раздербанены два старых CDпривода и моторы с них вживлены в корпус тепловоза.
Всё замечательно заработало, по одному движку на телегу,это здорово!!!
Фото:
P1100287.JPG

Фото:
P1100292.JPG


Это ты так все клеевым термо пистолетом залил, а учел, что движки могут греться и клей начнет мягчать?

Уже опробовал,лок гоняли дети больше часа,всё отлично!
Движки еле тёплые,для растапливания термоклея нужна более существенная температура.


24 ноя 2014, 14:24
Профиль

Зарегистрирован: 09 сен 2014, 15:45
Сообщения: 157
Откуда: Санкт-Петербург
Сообщение Re: Железная Дорога в Миниатюре - Болталка
olgerdt писал(а):
Уже опробовал,лок гоняли дети больше часа,всё отлично!
Движки еле тёплые,для растапливания термоклея нужна более существенная температура.


Тогда поздравляю! Я хочу такой же в локомотив поставить, но нарастить ему или поменять вал.


24 ноя 2014, 14:36
Профиль
Лидер раздела Железная Дорога в Миниатюре
Аватара пользователя

Зарегистрирован: 03 янв 2014, 23:30
Сообщения: 8363
Откуда: Санкт-Петербург, Колпино
Сообщение Re: Железная Дорога в Миниатюре - Болталка
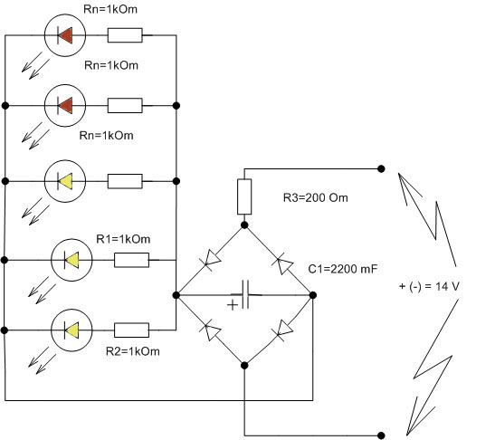
Как будет работать освещение по данной схеме?


Фото:
Железная Дорога в Миниатюре - Болталка
Железная Дорога в Миниатюре - Болталка Sxema_DIODI_1.jpg [ 33.09 Кб | Просмотров: 1144 ]
24 ноя 2014, 14:57
Профиль

Зарегистрирован: 12 сен 2014, 10:12
Сообщения: 26
Откуда: Москва
Сообщение Re: Железная Дорога в Миниатюре - Болталка
Leo653 писал(а):
Как будет работать освещение по данной схеме?


По этой схеме все светодиоды будут включены и будут постоянно светитья, независимо от направления движения, по-моему схема правильная, единственно, может быть вместо 200 омного сопротивления поставить подстроечный потенциометр, чтобы регулировать общую яркость свечения всех светодиодов сразу.


24 ноя 2014, 15:02
Профиль
Аватара пользователя

Зарегистрирован: 28 июл 2014, 11:32
Сообщения: 3776
Откуда: СССР, Пермь
Сообщение Re: Железная Дорога в Миниатюре - Болталка
Leo653 писал(а):
Как будет работать освещение по данной схеме?
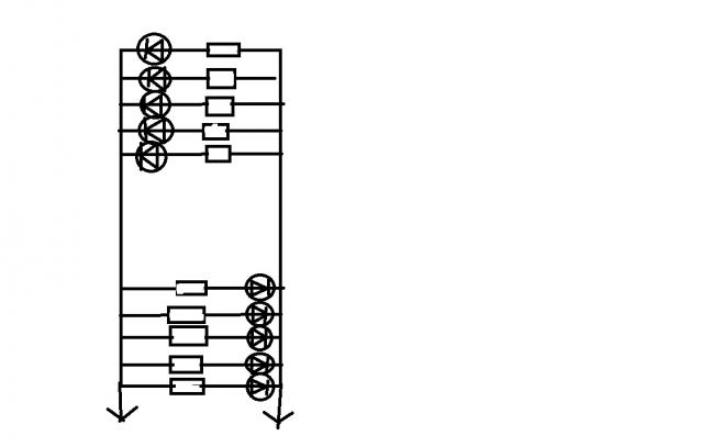
Диодный мост ни к чему - светодиоды сами направляют ток по нужному направлению. Только нужен еще "зеркальный" вариант цепи - при смене полярности на рельсах (ход лока назад) первые пять светодиодов гаснут, зато вторые пять загораются
вот нарисовал примерную схему подключения (два варианта)


Фото:
Железная Дорога в Миниатюре - Болталка
Железная Дорога в Миниатюре - Болталка параллельная схема подключения.jpg [ 16.21 Кб | Просмотров: 1105 ]
Железная Дорога в Миниатюре - Болталка
Железная Дорога в Миниатюре - Болталка Последовательная схема подключения.jpg [ 13.37 Кб | Просмотров: 1105 ]
24 ноя 2014, 15:39
Профиль

Зарегистрирован: 09 сен 2014, 15:45
Сообщения: 157
Откуда: Санкт-Петербург
Сообщение Re: Железная Дорога в Миниатюре - Болталка
mishkaizpermi писал(а):
Leo653 писал(а):
Как будет работать освещение по данной схеме?
Диодный мост ни к чему - светодиоды сами направляют ток по нужному направлению. Только нужен еще "зеркальный" вариант цепи - при смене полярности на рельсах (ход лока назад) первые пять светодиодов гаснут, зато вторые пять загораются
вот нарисовал примерную схему подключения (два варианта)


Вариант схемы Mehano, там только еще резисторы на 820 ом добавлены, чтоб диоды не выгорели...


24 ноя 2014, 16:12
Профиль
Лидер раздела Железная Дорога в Миниатюре
Аватара пользователя

Зарегистрирован: 03 янв 2014, 23:30
Сообщения: 8363
Откуда: Санкт-Петербург, Колпино
Сообщение Re: Железная Дорога в Миниатюре - Болталка
arxip писал(а):
Leo653 писал(а):
Как будет работать освещение по данной схеме?


По этой схеме все светодиоды будут включены и будут постоянно светитья, независимо от направления движения, по-моему схема правильная, единственно, может быть вместо 200 омного сопротивления поставить подстроечный потенциометр, чтобы регулировать общую яркость свечения всех светодиодов сразу.

Это схема не моя нашёл в поисковике яндекса. Хозяина не нашёл и не знаю из чего делать диодный мост. На схеме номинал не указан.


24 ноя 2014, 16:14
Профиль
Лидер раздела Железная Дорога в Миниатюре
Аватара пользователя

Зарегистрирован: 03 янв 2014, 23:30
Сообщения: 8363
Откуда: Санкт-Петербург, Колпино
Сообщение Re: Железная Дорога в Миниатюре - Болталка
mishkaizpermi писал(а):
Диодный мост ни к чему - светодиоды сами направляют ток по нужному направлению. Только нужен еще "зеркальный" вариант цепи - при смене полярности на рельсах (ход лока назад) первые пять светодиодов гаснут, зато вторые пять загораются
вот нарисовал примерную схему подключения (два варианта)

А куда я запихну ещё пять диодов?


24 ноя 2014, 16:16
Профиль
Аватара пользователя

Зарегистрирован: 18 сен 2014, 09:39
Сообщения: 218
Откуда: Нижний Новгород
Сообщение Re: Железная Дорога в Миниатюре - Болталка
Leo653 а что там уже есть? так то надо использовать диоды + красный и белый светодиод или поставить красно белый светодиод у китайцев не дешевле


24 ноя 2014, 16:32
Профиль

Зарегистрирован: 09 сен 2014, 15:45
Сообщения: 157
Откуда: Санкт-Петербург
Сообщение Re: Железная Дорога в Миниатюре - Болталка
syrex писал(а):
Leo653 а что там уже есть? так то надо использовать диоды + красный и белый светодиод или поставить красно белый светодиод у китайцев не дешевле


Тут дешевле будет, http://ru.aliexpress.com/item/2mm-tower ... 86613.html

25$ / 100 = 0.25 $, а 10 шт 2.5$


24 ноя 2014, 16:50
Профиль
Аватара пользователя

Зарегистрирован: 18 сен 2014, 09:39
Сообщения: 218
Откуда: Нижний Новгород
Сообщение Re: Железная Дорога в Миниатюре - Болталка
Ibexspb писал(а):

Тут дешевле будет, http://ru.aliexpress.com/item/2mm-tower ... 86613.html

25$ / 100 = 0.25 $, а 10 шт 2.5$

дешевле моей 2-й ссылки? найди отличие smile_08
Leo653 писал(а):
А куда я запихну ещё пять диодов?
пихай сколько ннадо
если просто резистор посчитать то можно сделать например тут


Последний раз редактировалось syrex 24 ноя 2014, 17:20, всего редактировалось 2 раз(а).



24 ноя 2014, 17:03
Профиль

Зарегистрирован: 09 сен 2014, 15:45
Сообщения: 157
Откуда: Санкт-Петербург
Сообщение Re: Железная Дорога в Миниатюре - Болталка
syrex писал(а):
Ibexspb писал(а):

Тут дешевле будет, http://ru.aliexpress.com/item/2mm-tower ... 86613.html

25$ / 100 = 0.25 $, а 10 шт 2.5$

дешевле моей 2-й ссылки? найди отличие smile_08


Ты написал у китайцев не дешевле, дешевле! Еврики то дороже.


24 ноя 2014, 17:04
Профиль
Аватара пользователя

Зарегистрирован: 18 сен 2014, 09:39
Сообщения: 218
Откуда: Нижний Новгород
Сообщение Re: Железная Дорога в Миниатюре - Болталка
Ibexspb писал(а):

Ты написал у китайцев не дешевле, дешевле! Еврики то дороже.
"намного" - потерялось, на 1 единицу дешевле, но купить надо на 1200 р "очень нужных в хозяйстве" белокрасных светиков без перспективы продать


24 ноя 2014, 17:15
Профиль
Аватара пользователя

Зарегистрирован: 28 июл 2014, 11:32
Сообщения: 3776
Откуда: СССР, Пермь
Сообщение Re: Железная Дорога в Миниатюре - Болталка
Ibexspb писал(а):

Вариант схемы Mehano, там только еще резисторы на 820 ом добавлены, чтоб диоды не выгорели...
а ну да... на схеме последовательном соединении забыл резисторы "дорисовать", при создании и конструировании добавьте пож.


24 ноя 2014, 17:33
Профиль

Зарегистрирован: 03 мар 2014, 20:06
Сообщения: 417
Сообщение Re: Железная Дорога в Миниатюре - Болталка
syrex писал(а):
если просто резистор посчитать то можно сделать например тут


smile_01 эту ссылку надо в FAQ по ж/д теме добавить.
жаль там только для последовательного соединения smile_04


Последний раз редактировалось VijGet 24 ноя 2014, 21:21, всего редактировалось 2 раз(а).



24 ноя 2014, 19:29
Профиль
Аватара пользователя

Зарегистрирован: 24 сен 2014, 21:52
Сообщения: 2079
Откуда: Тверь
Сообщение Re: Железная Дорога в Миниатюре - Болталка
Leo653 писал(а):
А куда я запихну ещё пять диодов?


Я не понял, вам нужно реверсивное освещение (10 светодиодов) или в одну сторону (5 шт.)? Архаично больно строите схемы. Нафига резистор к каждому светодиоду? И всякие мосты зачем? Светодиод - тоже диод. Соединить можно и параллельно и последовательно. Например вот так:
Фото:
Железная Дорога в Миниатюре - Болталка
Железная Дорога в Миниатюре - Болталка Фрагмент.jpg [ 19.32 Кб | Просмотров: 1032 ]

Резистор 800 Ом, 0,25 Вт. Красные вместе с белыми последовательно нельзя - разный ток, красные гореть не будут. Схема для светодиодов 3 мм. В сумме пять диодов будут кушать не более 20 мА.


24 ноя 2014, 20:06
Профиль
Аватара пользователя

Зарегистрирован: 04 сен 2014, 11:32
Сообщения: 852
Откуда: РФ г. Москва
Сообщение Re: Железная Дорога в Миниатюре - Болталка
Все несколько сложнее.
Вот тут мого про это написано
http://forum.modelldepo.ru/showthread.php?t=1627&highlight=%F1%E2%E5%F2%EE%E4%E8%EE%E4


24 ноя 2014, 20:41
Профиль
Лидер раздела Железная Дорога в Миниатюре
Аватара пользователя

Зарегистрирован: 03 янв 2014, 23:30
Сообщения: 8363
Откуда: Санкт-Петербург, Колпино
Сообщение Re: Железная Дорога в Миниатюре - Болталка
DmitriyMir писал(а):
Leo653 писал(а):
А куда я запихну ещё пять диодов?


Я не понял, вам нужно реверсивное освещение (10 светодиодов) или в одну сторону (5 шт.)? Архаично больно строите схемы. Нафига резистор к каждому светодиоду? И всякие мосты зачем? Светодиод - тоже диод. Соединить можно и параллельно и последовательно. Например вот так:
Фото:
Вложение Фрагмент.jpg больше недоступно

Резистор 800 Ом, 0,25 Вт. Красные вместе с белыми последовательно нельзя - разный ток, красные гореть не будут. Схема для светодиодов 3 мм. В сумме пять диодов будут кушать не более 20 мА.

У меня три белых впереди и два красных сзади. Мне нужно, чтоб они все пять вместе горели не зависимо от направления движения, а когда стоит - ничего не горит. Места расположения смотри на фото.


Фото:
Железная Дорога в Миниатюре - Болталка
Железная Дорога в Миниатюре - Болталка DSCF2431.JPG [ 36.65 Кб | Просмотров: 1533 ]
Железная Дорога в Миниатюре - Болталка
Железная Дорога в Миниатюре - Болталка DSCF2430.JPG [ 40.86 Кб | Просмотров: 1533 ]
24 ноя 2014, 20:51
Профиль
Показать сообщения за:  Поле сортировки  
Ответить на тему   [ Сообщений: 7923 ] 
На страницу Пред.  1 ... 44, 45, 46, 47, 48, 49, 50 ... 397  След.


   Похожие темы   Автор   Ответы   Просмотры   Последнее сообщение 
Нет новых сообщений Лоскутное шитьё № 52: блок "Дорога на Оклахому", игольница "Яблоко".

в форуме Лоскутное Шитье. Красиво и легко

Divnaya

0

15525

02 сен 2015, 15:59

Divnaya Перейти к последнему сообщению

Нет новых сообщений "Бабушкин сундук" - Болталка форума "История моды"

[ На страницу: 1, 2, 3 ]

в форуме История Моды

MisterDrakon

48

117743

18 мар 2021, 00:10

Karmen Перейти к последнему сообщению

Нет новых сообщений Лоскутное шитьё № 84: блок "Дорога в Париж", оранжевая такса из цветов йо-йо.

в форуме Лоскутное Шитье. Красиво и легко

Divnaya

0

14252

27 мар 2016, 23:27

Divnaya Перейти к последнему сообщению

Нет новых сообщений Лоскутное шитьё № 16: блок "Дорога на Оклахому", сервировочные салфетки

в форуме Лоскутное Шитье. Красиво и легко

Divnaya

18

24076

27 май 2015, 18:13

sneghana Перейти к последнему сообщению

Нет новых сообщений "Назад в Будущее!" - Болталка

[ На страницу: 1, 2, 3, 4 ]

в форуме DeLorean Назад в Будущее (1/8)

autosssr

73

135020

18 сен 2022, 13:26

Vycha Перейти к последнему сообщению


Кто сейчас на конференции

Зарегистрированные пользователи: Google [Bot], higurashi82, Yandex [Bot]

баунти корабль модель, Российские князья, цари, императоры где купить, собери корабль баунти, Парфюм Коллекция Миниатюр заказать
Вы не можете начинать темы
Вы не можете отвечать на сообщения
Вы не можете редактировать свои сообщения
Вы не можете удалять свои сообщения
Вы не можете добавлять Фото

Найти:
Журнальные серии ДеАгостини и другие коллекционные издания Партворки.

2010-2022 Форум о журнальных коллекциях Deagosini, Ашет коллекция, Eaglemoss и других издательств.

При использовании материалов сайта активная ссылка на сайт обязательна!

Рейтинг@Mail.ru